发布时间:2026-01-31
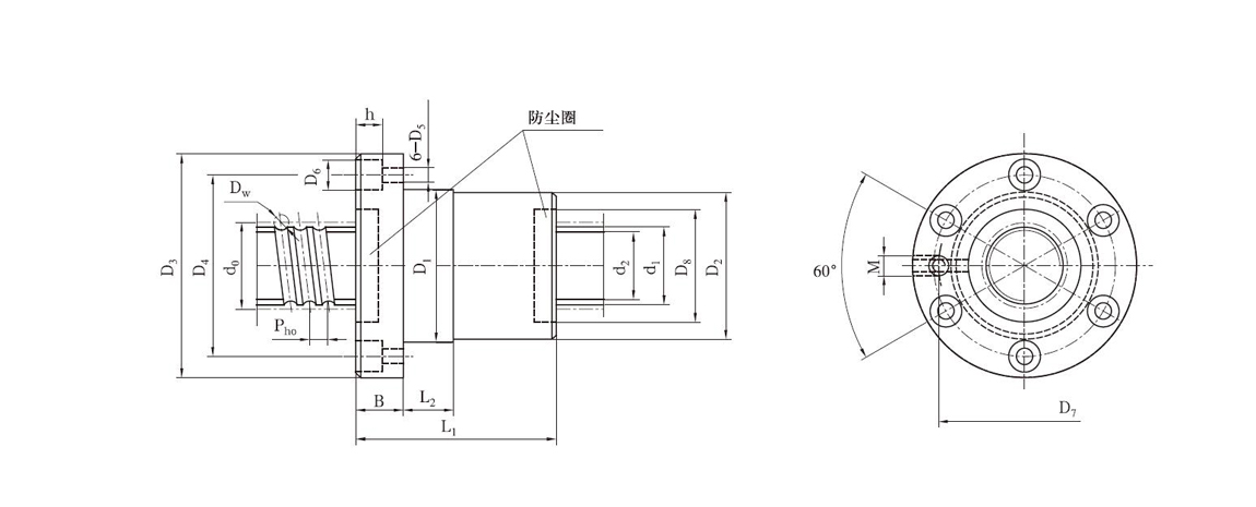
| ID | CODE | d0 | Ph0 | d1 | Dw | Xd2 | n | CaKN | C0aKN | kc |
| 1 | FFM1204-3 | 12 | 4 | 11.3 | 2.381 | 9.5 | 3 | 4 | 6.7 | 417 |
| 2 | FFM1604-3 | 16 | 4 | 15.3 | 2.381 | 13.5 | 3 | 4.8 | 9.7 | 442 |
| 3 | FFM1605-3 | 16 | 5 | 15.5 | 3.5 | 12.9 | 3 | 7.6 | 13.2 | 400 |
| 4 | FFM2004LH-3 | 20 | 4 | 19.3 | 2.381 | 17.5 | 3 | 5.3 | 12.1 | 519 |
| 5 | FFM2004-3 | 20 | 4 | 19.1 | 3 | 16.9 | 3 | 7.3 | 15.4 | 519 |
| 6 | FFM2005-3 | 20 | 5 | 19.5 | 3.5 | 16.9 | 3 | 9.1 | 18.3 | 536 |
| 7 | FFM2504-3 | 25 | 4 | 24.1 | 3 | 21.9 | 3 | 8.3 | 20.2 | 654 |
| 8 | FFM2505-3 | 25 | 5 | 24.5 | 3.5 | 21.9 | 3 | 10.2 | 23.6 | 657 |
| 9 | FFM2506-3 | 25 | 6 | 23.9 | 3.969 | 20.9 | 3 | 11.3 | 23.7 | 636 |
| 10 | FFM3204-3 | 32 | 4 | 31.1 | 3 | 28.9 | 3 | 9.6 | 27.9 | 823 |
| 11 | FFM3204-5 | 32 | 4 | 31.1 | 3 | 28.9 | 5 | 15 | 46.5 | 1340 |
| 12 | FFM3205-3 | 32 | 5 | 31.5 | 3.5 | 28.9 | 3 | 11.7 | 31.4 | 826 |
| 13 | FFM3205-5 | 32 | 5 | 31.5 | 3.5 | 28.9 | 5 | 18.1 | 52.4 | 1346 |
| 14 | FFM3206-3 | 32 | 6 | 30.9 | 3.969 | 27.9 | 3 | 13 | 32.1 | 839 |
| 15 | FFM3206-5 | 32 | 6 | 30.9 | 3.969 | 27.9 | 5 | 20.2 | 53.5 | 1367 |
| 16 | FFM3210-3 | 32 | 10 | 32.5 | 7.144 | 27.3 | 3 | 25.7 | 50.2 | 772 |
| 17 | FFM3210-5 | 32 | 10 | 32.5 | 7.144 | 27.3 | 5 | 40 | 83.8 | 1256 |
| 18 | FFM4005-3 | 40 | 5 | 39.5 | 3.5 | 36.9 | 3 | 13 | 40.6 | 1025 |
| 19 | FFM4005-5 | 40 | 5 | 39.5 | 3.5 | 36.9 | 5 | 20.2 | 67.7 | 1671 |
| 20 | FFM4006-3 | 40 | 6 | 38.9 | 3.969 | 35.9 | 3 | 15.1 | 43.8 | 1017 |
| 21 | FFM4006-5 | 40 | 6 | 38.9 | 3.969 | 35.9 | 5 | 23.5 | 73 | 1658 |
| 22 | FFM4008-3 | 40 | 8 | 38.6 | 5 | 34.9 | 3 | 19.8 | 51 | 1004 |
| 23 | FFM4008-5 | 40 | 8 | 38.6 | 5 | 34.9 | 5 | 30.7 | 84.9 | 1580 |
| 24 | FFM4010-3 | 40 | 10 | 39.5 | 7.144 | 34.3 | 3 | 30 | 66.3 | 973 |
| 25 | FFM4010-5 | 40 | 10 | 39.5 | 7.144 | 34.3 | 5 | 46.5 | 110.5 | 1585 |
| 26 | FFM4012-3 | 40 | 12 | 38 | 7.144 | 32.7 | 3 | 36.5 | 81.3 | 909 |
| 27 | FFM4012-5 | 40 | 12 | 38 | 7.144 | 32.7 | 5 | 44.2 | 101.6 | 1440 |
| 28 | FFM5005-3 | 50 | 5 | 49 | 3.5 | 46.4 | 3 | 14.3 | 51.1 | 1213 |
| 29 | FFM5005-5 | 50 | 5 | 49 | 3.5 | 46.4 | 5 | 22.2 | 85.1 | 1981 |
| 30 | FFM5006-3 | 50 | 6 | 48.9 | 3.969 | 45.9 | 3 | 17 | 57.2 | 1224 |
| 31 | FFM5006-5 | 50 | 6 | 48.9 | 3.969 | 45.9 | 5 | 26.4 | 95.4 | 1997 |
| 32 | FFM5008-3 | 50 | 8 | 48.6 | 5 | 44.9 | 3 | 22.4 | 67 | 1269 |
| 33 | FFM5008-5 | 50 | 8 | 48.6 | 5 | 44.9 | 5 | 34.7 | 111 | 2069 |
| 34 | FFM5010-3 | 50 | 10 | 49.5 | 7.144 | 44.3 | 3 | 35.8 | 93.2 | 1273 |
| 35 | FFM5010-5 | 50 | 10 | 49.5 | 7.144 | 44.3 | 5 | 55.6 | 155.3 | 2075 |
| 36 | FFM5012-4 | 50 | 12 | 48 | 7.144 | 42.7 | 4 | 44.4 | 117 | 1137 |
| 37 | FFM5012-5 | 50 | 12 | 48 | 7.144 | 42.7 | 5 | 53.8 | 146.3 | 1801 |
| 38 | FFM5020-3 | 50 | 20 | 50 | 10 | 42.8 | 3 | 59.9 | 131.1 | 1138 |
| 39 | FFM5020-4 | 50 | 20 | 50 | 10 | 42.8 | 4 | 72.5 | 163.9 | 1476 |
| 40 | FFM6308-4 | 63 | 8 | 61.6 | 5 | 57.9 | 4 | 33 | 121.1 | 2018 |
| 41 | FFM6308-5 | 63 | 8 | 61.6 | 5 | 57.9 | 5 | 40 | 151.5 | 2499 |
| 42 | FFM6310-4 | 63 | 10 | 62.5 | 7.144 | 57.3 | 4 | 51.5 | 160.6 | 2023 |
| 43 | FFM6310-5 | 63 | 10 | 62.5 | 7.144 | 57.3 | 5 | 62.4 | 200.7 | 2505 |
| 44 | FFM6312-4 | 63 | 12 | 61 | 7.144 | 55.7 | 4 | 50.3 | 153.5 | 2049 |
| 45 | FFM6312-5 | 63 | 12 | 61 | 7.144 | 55.7 | 5 | 60.9 | 191.7 | 2537 |
| 46 | FFM6316-4 | 63 | 16 | 60 | 10 | 52.8 | 4 | 76 | 201 | 1882 |
| 47 | FFM6316-5 | 63 | 16 | 60 | 10 | 52.8 | 5 | 92.5 | 251.2 | 2290 |
| 48 | FFM6320-4 | 63 | 20 | 60 | 10 | 52.8 | 4 | 76.2 | 200.6 | 2122 |
| 49 | FFM6320-5 | 63 | 20 | 60 | 10 | 52.8 | 5 | 92.3 | 250.8 | 2612 |
| 50 | FFM8010-4 | 80 | 10 | 79.5 | 7.144 | 74.3 | 4 | 58.1 | 211.4 | 2479 |
| 51 | FFM8010-5 | 80 | 10 | 79.5 | 7.144 | 74.3 | 5 | 70.3 | 264.3 | 3071 |
| 52 | FFM8012-4 | 80 | 12 | 78 | 7.144 | 72.7 | 4 | 58.3 | 211 | 2566 |
| 53 | FFM8012-5 | 80 | 12 | 78 | 7.144 | 72.7 | 5 | 70.7 | 264 | 3177 |
| 54 | FFM8016-4 | 80 | 16 | 77 | 10 | 69.8 | 4 | 88.3 | 271.6 | 2618 |
| 55 | FFM8016-5 | 80 | 16 | 77 | 10 | 69.8 | 5 | 107 | 339.9 | 3241 |
| 56 | FFM8020-4 | 80 | 20 | 77 | 10 | 69.8 | 4 | 85.2 | 258 | 2484 |
| 57 | FFM8020-5 | 80 | 20 | 77 | 10 | 69.8 | 5 | 103.3 | 322.5 | 3032 |
| 58 | FFM10016-4 | 100 | 16 | 97 | 10 | 89.8 | 4 | 100 | 357.2 | 3420 |
| 59 | FFM10016-5 | 100 | 16 | 97 | 10 | 89.8 | 5 | 121.1 | 446.5 | 4159 |
| 60 | FFM10020-4 | 100 | 20 | 97 | 10 | 89.8 | 4 | 100 | 356.9 | 3214 |
| 61 | FFM10020-5 | 100 | 20 | 97 | 10 | 89.8 | 5 | 121 | 446.1 | 3979 |
| 62 | FFM12016-5 | 120 | 16 | 117 | 10 | 109.8 | 5 | 135.6 | 570.4 | 4917 |
| 63 | FFM12016-7 | 120 | 16 | 117 | 10 | 109.8 | 7 | 181.1 | 798.6 | 5351 |
| 64 | FFM12020-5 | 120 | 20 | 117 | 10 | 109.8 | 5 | 135.5 | 570.1 | 4753 |
| 65 | FFM12020-7 | 120 | 20 | 117 | 10 | 109.8 | 7 | 181 | 798.2 | 5146 |
热门文章:
R32-10B1-OFSW-1780-2029-0.018滚珠丝杠、R32-10B1-OFSW-380-629-0.018滚珠丝杠、R32-10B1-OF...
DW4K2双列深沟球轴承、DW4K双列深沟球轴承、DW4双列深沟球轴承、DW5双列深...
FK05-C7圆形支撐、FK05-C7N圆形支撐、FK06-C7圆形支撐、FK06-C5圆形支撐、FK06-C3...
53212U轴承、53312U轴承、53412U轴承、53213U轴承、53313U轴承、53413U轴承、53214U...
DAC357233B-1W轮毂轴承KOYO进口、DAC357234A轮毂轴承KOYO进口、DAC3668AWCS36轮毂轴...
上一篇:FFM4008-5、FFM4010-3、FFM4010-5、FFM4012-3、FFM4012-5、FFM5005-3、FFM5005-5、FFM5006-3、FFM5006-5、FFM5008-3、FFM5008-5、FFM5010-3、FFM5010-5、FFM5012-4、FFM5012-5、FFM5020-3、FFM5020-4、FFM6308-4、FFM6308-5、FFM6310-4、FFM6310-5、FFM6312-4滚珠丝杠 —— 下一篇:FFB2004LH-2滚珠丝杠、FFB2004-2滚珠丝杠、FFB2005-2滚珠丝杠、FFB2504-2滚珠丝杠、FFB2505-2滚珠丝杠、FFB2506-2滚珠丝杠、FFB3204-2滚珠丝杠、FFB3205-2滚珠丝杠、FFB3206-2滚珠丝杠、FFB3210-2滚珠丝杠、FFB4005-2滚珠丝杠、FFB4006-2滚珠丝杠、FFB4008-2滚珠丝杠、FFB4010-2滚珠丝杠、FFB5005-2滚珠丝杠、FFB5006-2滚珠丝杠、FFB5008-2滚珠丝杠、FFB5010-2滚珠丝杠
返回搜轴承首页