发布时间:2025-12-15
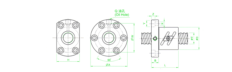
| 型 号 | 滾珠螺杆 , 螺帽之基准数据 l:导程 Da:珠径 N:珠圈数 K:刚性(kgf/μm) Ca:动额定负荷(kgf) Coa:静额定负荷(kgf) | ||||||||||||||||
| d | l | Da | D | A | B | L | W | H | X | Y | Z | Q | n | Ca | Coa | K | |
| SFT02005-5 | 20 | 5 | 3.175 | 44 | 67 | 11 | 57 | 55 | 52 | 5.5 | 9.5 | 5.5 | M6 | 2.5×2 | 1546 | 3068 | 37 |
| SFT02505-5 | 25 | 5 | 3.175 | 50 | 73 | 11 | 55 | 61 | 52 | 5.5 | 9.5 | 5.5 | M8 | 2.5×2 | 1690 | 4460 | 46 |
| SFT02510-2.5 | 10 | 6.35 | 68 | 102 | 15 | 70 | 84 | 82 | 9 | 14 | 8.5 | M8 | 2.5×1 | 2440 | 4730 | 26 | |
| SFT03205-5 | 32 | 5 | 3.175 | 58 | 85 | 12 | 56 | 71 | 64 | 6.6 | 11 | 6.5 | M8 | 2.5×2 | 1880 | 5720 | 55 |
| SFT03206-5 | 6 | 3.969 | 62 | 89 | 12 | 65 | 75 | 68 | 6.6 | 11 | 6.5 | M8 | 2.5×2 | 2520 | 7080 | 56 | |
| SFT03208-5 | 8 | 4.762 | 66 | 100 | 15 | 82 | 82 | 76 | 9 | 14 | 8.5 | M8 | 2.5×2 | 3230 | 8360 | 58 | |
| SFT03210-5 | 10 | 6.35 | 74 | 108 | 15 | 96 | 90 | 82 | 9 | 14 | 9 | M8 | 2.5×2 | 4280 | 11500 | 63 | |
| SFT03220-2.5 | 20 | 6.35 | 74 | 108 | 16 | 100 | 90 | 82 | 9 | 14 | 8.5 | M8 | 2.5×1 | 2680 | 6020 | 30 | |
| SFT04005-5 | 40 | 5 | 3.175 | 67 | 101 | 15 | 59 | 83 | 72 | 9 | 14 | 8.5 | M8 | 2.5×2 | 2026 | 7200 | 66 |
| SFT04010-5 | 10 | 6.35 | 82 | 124 | 18 | 100 | 102 | 94 | 11 | 17.5 | 11 | M8 | 2.5×2 | 5300 | 14000 | 72 | |
| SFT04020-2.5 | 20 | 6.35 | 82 | 124 | 18 | 100 | 102 | 90 | 11 | 17.5 | 11 | M8 | 2.5×1 | 2970 | 7370 | 38 | |
| SFT05010-5 | 50 | 10 | 6.35 | 93 | 135 | 18 | 103 | 113 | 98 | 11 | 17.5 | 11 | M8 | 2.5×2 | 5940 | 18000 | 89 |
| SFT05020-2.5 | 20 | 9.525 | 105 | 152 | 28 | 121 | 128 | 110 | 14 | 20 | 13 | M8 | 2.5×1 | 7400 | 18700 | 45 | |
| SFT06310-5 | 63 | 10 | 6.35 | 108 | 154 | 22 | 105 | 130 | 110 | 14 | 20 | 13 | M8 | 2.5×2 | 6550 | 22700 | 107 |
| SFT06320-2.5 | 20 | 9.525 | 122 | 180 | 28 | 127 | 150 | 130 | 18 | 26 | 17.5 | M8 | 2.5×1 | 8810 | 23200 | 73 | |
| SFT08010-5 | 80 | 10 | 6.35 | 130 | 176 | 22 | 105 | 152 | 132 | 14 | 20 | 13 | M8 | 2.5×2 | 7200 | 28900 | 129 |
| SFT08020-5 | 20 | 9.525 | 143 | 204 | 28 | 180 | 172 | 148 | 18 | 26 | 18 | M8 | 2.5×2 | 16700 | 60100 | 175 | |
| SFT08020-7.5 | 20 | 9.525 | 143 | 204 | 28 | 240 | 172 | 148 | 18 | 26 | 18 | M8 | 2.5×3 | 23500 | 89100 | 252 | |
热门文章:
Tr18x2梯形丝杆、Tr18x4梯形丝杆、Tr18x8梯形丝杆、Tr20x2梯形丝杆、Tr20x4梯形...
K72X80X40滚针轴承、K75X81X20滚针轴承、K75X81X30滚针轴承、K75X82X30滚针轴承、K...
LR202-14-X-2RS轴承、LR202-14-2RS轴承、LR203-X-2RS轴承、LR203-2RS轴承、LR204-X-2RS轴...
7211B.TVP角接触球轴承、7311B.TVP角接触球轴承、7212B.TVP角接触球轴承、7312B.T...
组合轴承RAXZ525 25 37 43 18 11 29 9 0.85 12800 22000 20400 63000 7500 131
上一篇:SFU01204-4滚珠丝杠、SFU01604-4滚珠丝杠、SFU01605-4滚珠丝杠、SFU01610-3滚珠丝杠、SFU02004-4滚珠丝杠、SFU02005-4滚珠丝杠、SFU02504-4滚珠丝杠、SFU02505-4滚珠丝杠、SFU02506-4滚珠丝杠、SFU02508-4滚珠丝杠、SFU02510-4滚珠丝杠、SFU03204-4滚珠丝杠、SFU03205-4滚珠丝杠、SFU03206-4滚珠丝杠 —— 下一篇:SFT02005-5滚珠丝杠、SFT02505-5滚珠丝杠、SFT02510-2.5滚珠丝杠、SFT03205-5滚珠丝杠、SFT03206-5滚珠丝杠、SFT03208-5滚珠丝杠、SFT03210-5滚珠丝杠、SFT03220-2.5滚珠丝杠、SFT04005-5滚珠丝杠
返回搜轴承首页