发布时间:2026-03-20


|
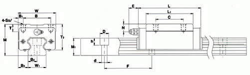
型号 |
Width (W) |
Length (L) |
Height (M) |
B |
B1 |
L1 |
C |
T |
T2 |
SX/ |
N |
E |
润滑油接管 |
|
GL-15CA |
34 |
66.5 |
28 |
26 |
4 |
38.5 |
26 |
6 |
23.5 |
M4×5 |
8.5 |
5.5 |
M4×0.7P |
|
GL-20CA |
44 |
80.5 |
30 |
32 |
6 |
50.5 |
36 |
8 |
24.5 |
M5×6 |
5 |
12 |
M6×1.0P |
|
FL-20HA |
44 |
96.5 |
30 |
32 |
6 |
66.5 |
50 |
8 |
24.5 |
M5×6 |
5 |
12 |
M6×1.0P |
|
GL-25CA |
48 |
89.5 |
40 |
35 |
6.5 |
59.5 |
35 |
12 |
33.0 |
M6×8 |
10 |
12 |
M6×1.0P |
|
GL-25HA |
48 |
108.5 |
40 |
35 |
6.5 |
78.5 |
50 |
12 |
33.0 |
M6×8 |
10 |
12 |
M6×1.0P |
|
GL-30CA |
60 |
103.5 |
45 |
40 |
10 |
70.5 |
40 |
12 |
37.0 |
M8×10 |
10 |
12 |
M6×1.0P |
|
GL-30HA |
60 |
125.5 |
45 |
40 |
10 |
92.5 |
60 |
12 |
37.0 |
M8×10 |
10 |
12 |
M6×1.0P |
|
GL-35CA |
70 |
115.5 |
55 |
50 |
10 |
80.5 |
50 |
12 |
46.0 |
M8×12 |
15 |
12 |
M6×1.0P |
|
GL-35HA |
70 |
140.5 |
55 |
50 |
10 |
105.5 |
72 |
12 |
46.0 |
M8×12 |
15 |
12 |
M6×1.0P |
|
GL-45CA |
86 |
137 |
70 |
60 |
13 |
98 |
60 |
15 |
58.5 |
M10×17 |
20 |
16 |
1/8 PT |
|
GL-45HA |
86 |
169 |
70 |
60 |
13 |
130 |
80 |
15 |
58.5 |
M10×17 |
20 |
16 |
1/8 PT |
|
Width (W1) |
Height (M1) |
Pitch (F) |
B2 |
B3 |
dxDxh |
C kgf |
Co kgf |
MA kgf-M |
MB kgf-M |
MC kgf-M |
Block kgf |
Rail kgf |
|
15 |
15 |
60 |
7.5 |
9.5 |
4.5×7.5×5.5 |
850 |
1380 |
7.3 |
7.3 |
10.1 |
0.18 |
1.7 |
|
20 |
18 |
60 |
10 |
12 |
6×9.5×8.5 |
1410 |
2430 |
15.9 |
15.9 |
23.7 |
0.25 |
2.5 |
|
20 |
18 |
60 |
10 |
12 |
6×9.5×8.5 |
2170 |
3240 |
27.5 |
27.5 |
31.6 |
0.35 |
2.5 |
|
23 |
22 |
60 |
11.5 |
12.5 |
7×11×9 |
2030 |
3510 |
27.5 |
27.5 |
40.0 |
0.54 |
3.6 |
|
23 |
22 |
60 |
11.5 |
12.5 |
7×11×9 |
2770 |
4680 |
46.8 |
46.8 |
51.8 |
0.67 |
3.6 |
|
28 |
26 |
80 |
14 |
16 |
9×14×12 |
2860 |
4770 |
43.8 |
43.8 |
65.8 |
0.9 |
5.1 |
|
28 |
26 |
80 |
14 |
16 |
9×14×12 |
3800 |
6370 |
74.4 |
74.4 |
87.7 |
1.1 |
5.1 |
|
34 |
29 |
80 |
17 |
18 |
9×14×12 |
3800 |
6230 |
65.4 |
65.4 |
104.7 |
1.5 |
6.9 |
|
34 |
29 |
80 |
17 |
18 |
9×14×12 |
5120 |
8310 |
111.1 |
111.1 |
139.9 |
2.0 |
6.9 |
|
45 |
38 |
105 |
22.5 |
20.5 |
14×20×17 |
6120 |
9750 |
127.6 |
127.6 |
213.2 |
2.6 |
11.0 |
|
45 |
38 |
105 |
22.5 |
20.5 |
14×20×17 |
8200 |
13000 |
217.1 |
217.1 |
284.1 |
3.1 |
11.0 |
热门文章:
DKFZ6310-5滚珠丝杠滚珠安装方法、DKFZ6310-5滚珠丝杆生产厂家、DKFZ6310-5滚珠...
GE081FDS-AANR-0215A滚珠丝杠、GE0802DS-AANR-0215A滚珠丝杠、GE0804DS-BAFR-215滚珠丝杠...
1380/1328英制圆锥滚子轴承、1380/1329英制圆锥滚子轴承、1755/1730英制圆锥滚...
C2211KV+H311E单列调心滚子轴承、C6910V单列调心滚子轴承、C2211KTN9+AHX311单列...
39602/F33方孔外球面轴承、39602/F29方孔外球面轴承、39602/F33外球面轴承、3960...
上一篇:GR15TA-LSK四方型滑块滑轨、GR15SA-LSK四方型滑块滑轨、GR20TA-LSK四方型滑块滑轨、GR20SA-LSK四方型滑块滑轨、GR25TA-LSK四方型滑块滑轨、GR25SA-LSK四方型滑块滑轨、GR30TA-LSK四方型滑块滑轨、GR30SA-LSK四方型滑块滑轨、GR35TA-LSK四方型滑块滑轨、GR35SA-LSK四方型滑块滑轨 —— 下一篇:FL15CB-LSK法兰型滑块滑轨、FL20CB-LSK法兰型滑块滑轨、FL20HB-LSK法兰型滑块滑轨、FL25CB-LSK法兰型滑块滑轨、FL25HB-LSK法兰型滑块滑轨、FL30CB-LSK法兰型滑块滑轨、FL30HB-LSK法兰型滑块滑轨、FL35CB-LSK法兰型滑块滑轨、FL35HB-LSK法兰型滑块滑轨、FL45CB-LSK法兰型滑块滑轨、FL45HB-LSK法兰型滑块滑轨
返回搜轴承首页