SFT02005-5滚珠丝杠、SFT02505-5滚珠丝杠、SFT02510-2.5滚珠丝杠、SFT03205-5滚珠丝杠、SFT03206-5滚珠丝杠、SFT03208-5滚珠丝杠、SFT03210-5滚珠丝杠、SFT03220-2.5滚珠丝杠、SFT04005-5滚珠丝杠、SFT04010-5滚珠丝杠 — 搜轴承黑板报
搜轴承 -- 黑板报 -- SFT02005-5滚珠丝杠、SFT02505-5滚珠丝杠、SFT02510-2.5滚珠...

SFT02005-5滚珠丝杠、SFT02505-5滚珠丝杠、SFT02510-2.5滚珠丝杠、SFT03205-5滚珠丝杠、SFT03206-5滚珠丝杠、SFT03208-5滚珠丝杠、SFT03210-5滚珠丝杠、SFT03220-2.5滚珠丝杠、SFT04005-5滚珠丝杠、SFT04010-5滚珠丝杠

发布时间:2026-05-07

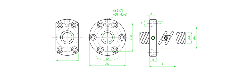
d:外径 Screw O.D.  I:导程 Lead  Da:珠径 Ball Dia   n:珠圈数 Number of Circuits  K:刚性 Stiffness(Kgf/um) 
Ca:动额定负荷 Basic Dynamic Rating Load(Kgf)     Coa:静额定负荷 Basic Static Rating Load(Kgf)
螺帽型号
螺杆,螺帽的基本数据  Dimensions
Nut Model No.
d
I
Da
D
A
B
L
W
H
X
Y
Z
Q
n
Ca
Coa
K
SFT02005-5
20
5
3.175
44
67
11
57
55
52
5.5
9.5
5.5
M6
2.5X2
1879
4844
49
SFT02505-5
25
5
3.175
50
73
11
55
61
52
5.5
9.5
5.5
M8
2.5X2
2089
6129
58
SFT02510-2.5
10
6.350
68
102
15
70
84
82
9
14
8.5
M8
2.5X1
2845
6062
34
SFT03205-5
32
5
3.175
58
85
12
56
71
64
6.6
11
6.5
M8
2.5X2
2329
7929
69
SFT03206-5
6
3.969
62
89
12
65
75
68
6.6
11
6.5
M8
2.5X2
3189
9974
73
SFT03208-5
8
4.762
66
100
15
82
82
76
9
14
8.5
M8
2.5X2
4103
12028
77
SFT03210-5
10
6.350
74
108
15
96
90
82
9
14
9
M8
2.5X2
5821
15259
79
SFT03220-2.5
20
6.350
74
108
16
100
90
82
9
14
8.5
M8
2.5X1
3284
8004
43
SFT04005-5
40
5
3.175
67
101
15
59
83
72
9
14
8.5
M8
2.5X2
2556
9985
79
SFT04010-5
10
6.350
82
124
18
100
102
94
11
17.5
11
M8
2.5X2
6541
19375
94
SFT04020-2.5
20
6.350
82
124
18
100
102
90
11
17.5
11
M8
2.5X1
3683
10086
52
SFT05010-5
50
10
6.350
93
135
18
103
113
98
11
17.5
11
M8
2.5X2
7274
24518
110
SFT05020-2.5
20
9.525
105
152
28
121
128
110
14
20
13
M8
2.5X1
6867
18241
63
SFT06310-5
63
10
6.350
108
154
22
105
130
110
14
20
13
M8
2.5X2
8141
31697
131
SFT06320-2.5
20
9.525
122
180
28
127
150
130
18
26
17.5
M8
2.5X1
7639
22908
74
SFT08010-5
80
10
6.350
130
176
22
105
152
132
14
20
13
M8
2.5X2
8900
39942
151
SFT08020-5
20
9.525
143
204
28
180
172
148
18
26
18
M8
2.5X2
15642
59684
174
SFT08020-7.5
20
9.525
143
204
28
240
172
148
18
26
18
M8
2.5X3
22169
89525
257

热门文章:

DKFZ5012-6滚珠丝杠滚珠安装方法、DKFZ5012-6滚珠丝杆生产厂家、DKFZ5012-6滚珠...
轴承4952X3D/W33、轴承4952X2D/W33、轴承4956X3D/W33、轴承4064X3D/W33、轴承4980X2D/W33
轴承156172/W33、轴承156721/C2JG、轴承156724、轴承156724、轴承156724K、轴承156728...
MR52ZZ微型深沟球轴承、MR62ZZ微型深沟球轴承、MR72ZZ微型深沟球轴承、MR82X...
N2310EM轴承、N211E轴承、N211EM轴承、N311E轴承、N311EM轴承、N2211EM轴承、N212E...

热门型号:SNR 1311K+H311 SKF *22334CC/W33 OKB 176130 SNR 23124EMKW33 NSK 87737/87111 KOYO JP-24-F FAG HCB7001-E-T-P4S FAG HCS71909-E-T-P4S NMB RF-1350 SKF 61830M INA KU-100XPO-2RS Torrington SAF-322..BALL SKF 22216 EK BARDEN FD1017T.P4S NOK UPH-818

上一篇:SFT04020-2.5滚珠丝杠、SFT05010-5滚珠丝杠、SFT05020-2.5滚珠丝杠、SFT06310-5滚珠丝杠、SFT06320-2.5滚珠丝杠、SFT08010-5滚珠丝杠、SFT08020-5滚珠丝杠、SFT08020-7.5滚珠丝杠 —— 下一篇:XSVR1210-B1滚珠丝杠、XSVR1510-B1滚珠丝杠、XSVR1520-A1滚珠丝杠、XSVR2010-B1滚珠丝杠、XSVR2020-A1滚珠丝杠

返回搜轴承首页