发布时间:2026-01-31

|
B |
许用 |
许用 |
D |
轴承 |
轴承座 |
光 面 |
胶 面 | |||||
|
|
扭矩 |
合力 |
|
型号 |
| |||||||
|
mm |
kN·N |
kN |
mm |
|
图号 |
转动惯量 |
质量 |
图号 |
转动惯量 |
质量 |
人字形图号 |
菱形图号 |
|
|
|
|
|
|
|
kg ·m2 |
kg |
kg·m2 |
kg | |||
|
500 |
2.7 |
49 |
500 |
1316 |
DTⅡZ1208 |
5 |
250 |
DTⅡ01A4081 |
6 |
264 |
DTⅡ01A4083Y Z |
DTⅡ01A4084 |
|
650 |
3.5 |
40 |
DTⅡZ1308 |
6.5 |
280 |
DTⅡ02A4081 |
7.8 |
298 |
DTⅡ02A4083Y Z |
DTⅡ02A4084 | ||
|
4.1 |
630 |
|
16.3 |
324 |
DTⅡ02A5081 |
18.5 |
347 |
DTⅡ02A5083Y Z |
DTⅡ02A5084 | |||
|
6.3 |
59 |
500 |
3520 |
DTⅡZ1210 |
6.5 |
376 |
DTⅡ02A4101 |
7.8 |
393 |
DTⅡ02A4103Y Z |
DTⅡ02A4104 | |
|
7.3 |
80 |
630 |
DTⅡZ1310 |
16.3 |
429 |
DTⅡ02A5101 |
18.5 |
451 |
DTⅡ02A5103Y Z |
DTⅡ02A5104 | ||
|
800 |
4.1 |
40 |
500 |
|
7.8 |
432 |
DTⅡ03A4101 |
9.8 |
453 |
DTⅡ03A4103Y Z |
DTⅡ03A4104 | |
|
6 |
50 |
630 |
|
19.5 |
492 |
DTⅡ03A5101 |
23.5 |
521 |
DTⅡ03A5103Y Z |
DTⅡ03A5104 | ||
|
7 |
800 |
|
|
|
|
25 |
782 |
DTⅡ03A6103Y Z |
DTⅡ03A6104 | |||
|
12 |
80 |
630 |
3524 |
DTⅡZ1212 |
23.8 |
752 |
DTⅡ03A5121 |
29.5 |
776 |
DTⅡ03A5123Y Z |
DTⅡ03A5124 | |
|
800 |
DTⅡZ1312 |
|
|
|
58 |
887 |
DTⅡ03A6123Y Z |
DTⅡ03A6124 | ||||
|
20 |
100 |
630 |
3528 |
DTⅡZ1114 |
28.5 |
844 |
DTⅡ03A5141 |
32 |
920 |
DTⅡ03A5143Y Z |
DTⅡ03A5144 | |
|
2×16 |
DTⅡZ1214 |
|
|
|
32 |
967 |
DTⅡ03A5143S |
DTⅡ03A5144S | ||||
|
20 |
110 |
800 |
DTⅡZ1314 |
|
|
|
66.3 |
1095 |
DTⅡ03A6143Y Z |
DTⅡ03A6144 | ||
|
2×16 |
|
|
|
|
66.3 |
1143 |
DTⅡ03A6143S |
DTⅡ03A6144S | ||||
|
32 |
160 |
3532 |
DTⅡZ1116 |
|
|
|
67.5 |
1253 |
DTⅡ03A6163Y Z |
DTⅡ03A6164 | ||
|
DTⅡZ1216 | ||||||||||||
|
2×23 |
DTⅡZ1316 |
|
|
|
67.5 |
1287 |
DTⅡ03A6163S |
DTⅡ03A6164S | ||||
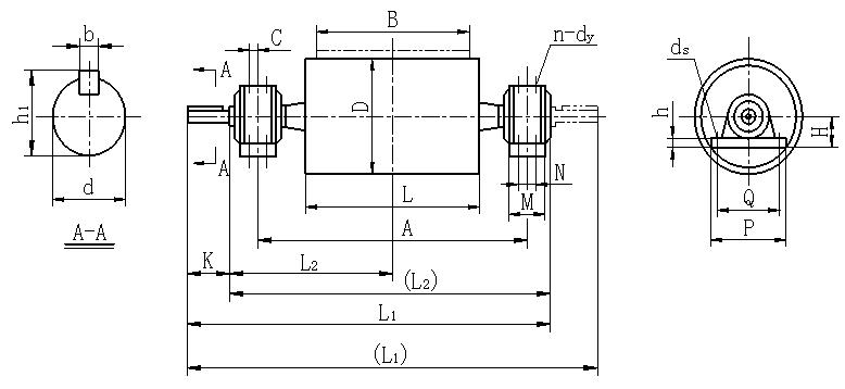
|
B |
D |
图号 |
A |
L |
L1 |
L2 |
K |
M |
N |
Q |
P |
H |
h |
h1 |
d |
b |
ds |
C |
n—dy |
|
500 |
500 |
DTⅡ01A4081 |
850 |
600 |
1114 |
495 |
140 |
70 |
- |
350 |
410 |
120 |
33 |
74.5 |
70 |
20 |
M20 |
22 |
2-M8×1 |
|
DTⅡ01A4083Y Z | |||||||||||||||||||
|
DTⅡ01A4084 | |||||||||||||||||||
|
650 |
DTⅡ02A4081 |
1000 |
750 |
1264 |
570 | ||||||||||||||
|
DTⅡ02A4083Y Z | |||||||||||||||||||
|
DTⅡ02A4084 | |||||||||||||||||||
|
630 |
DTⅡ02A5081 | ||||||||||||||||||
|
DTⅡ02A5083Y Z | |||||||||||||||||||
|
DTⅡ02A5084 | |||||||||||||||||||
|
500 |
DTⅡ02A4101 |
1324 |
590 |
170 |
80 |
- |
380 |
460 |
135 |
46 |
95 |
90 |
25 |
M24 |
26 |
4-M8×1 | |||
|
DTⅡ02A4103Y Z | |||||||||||||||||||
|
DTⅡ02A4104 | |||||||||||||||||||
|
630 |
DTⅡ02A5101 | ||||||||||||||||||
|
DTⅡ02A5103Y Z | |||||||||||||||||||
|
DTⅡ02A5104 | |||||||||||||||||||
|
500 |
DTⅡ02A4121 |
1050 |
1419 |
615 |
210 |
110 |
- |
440 |
530 |
155 |
116 |
110 |
28 |
32 | |||||
|
DTⅡ02A4123Y Z | |||||||||||||||||||
|
DTⅡ02A4124 | |||||||||||||||||||
|
630 |
DTⅡ02A5121 | ||||||||||||||||||
|
DTⅡ02A5123Y Z | |||||||||||||||||||
|
DTⅡ02A5124 | |||||||||||||||||||
|
800 |
500 |
DTⅡ03A4101 |
1300 |
950 |
1624 |
740 |
170 |
80 |
- |
380 |
460 |
135 |
95 |
90 |
25 |
26 | |||
|
DTⅡ03A4103Y Z | |||||||||||||||||||
|
DTⅡ03A4104 | |||||||||||||||||||
|
630 |
DTⅡ03A5101 | ||||||||||||||||||
|
DTⅡ03A5103Y Z | |||||||||||||||||||
|
DTⅡ03A5104 | |||||||||||||||||||
|
800 |
DTⅡ03A6103Y Z | ||||||||||||||||||
|
DTⅡ03A6104 | |||||||||||||||||||
|
630 |
DTⅡ03A5121 |
1669 |
210 |
110 |
- |
440 |
530 |
155 |
116 |
110 |
28 |
M30 |
32 | ||||||
|
DTⅡ03A5123Y Z | |||||||||||||||||||
|
DTⅡ03A5124 | |||||||||||||||||||
|
800 |
DTⅡ03A6123Y Z | ||||||||||||||||||
|
DTⅡ03A6124 | |||||||||||||||||||
|
630 |
DTⅡ03A5141 |
1724 |
750 |
250 |
120 |
- |
480 |
570 |
170 |
63 |
137 |
130 |
32 |
37 | |||||
|
DTⅡ03A5143Y Z | |||||||||||||||||||
|
DTⅡ03A5144 | |||||||||||||||||||
|
DTⅡ03A5143S |
2000 |
1500 | |||||||||||||||||
|
DTⅡ03A5144S | |||||||||||||||||||
|
800 |
DTⅡ03A6143Y Z |
1724 |
750 | ||||||||||||||||
|
DTⅡ03A6144 | |||||||||||||||||||
|
DTⅡ03A6143S |
2000 |
1500 | |||||||||||||||||
|
DTⅡ03A6144S | |||||||||||||||||||
|
DTⅡ03A6163Y Z |
1400 |
1839 |
800 |
200 |
105 |
520 |
640 |
200 |
60 |
158 |
150 |
36 |
43 |
4-M10×1 | |||||
| DTⅡ03A6164 | |||||||||||||||||||
| DTⅡ03A6163S | 2100 | 1600 | |||||||||||||||||
| DTⅡ03A6164S |
热门文章:
LM770910英制圆锥滚子轴承、LM770945/LM770910英制圆锥滚子轴承、L570648英制圆...
FFZD3205-3滚珠丝杠、FFZD3205-5滚珠丝杠、FFZD3206-3滚珠丝杠、FFZD3206-5滚珠丝杠...
MF85法兰式深沟球轴承内径5X8X2
54215轴承、54315轴承、54415轴承、54216轴承、54316轴承、54416轴承、54217轴承...
圆柱滚子轴承NNU4068M/W33、NNU4072M/W33、NNU4076M/W33、NNU4080M/W33X、NNU4084M/W33、NNU...
上一篇:DTII03A6103Y Z传送机专用轴承座、DTII03A6104传送机专用轴承座、DTII03A5121传送机专用轴承座、DTII03A5123Y Z传送机专用轴承座、DTII03A5124传送机专用轴承座、DTII03A6123Y Z传送机专用轴承座、DTII03A6124传送机专用轴承座、DTII03A5141传送机专用轴承座、DTII03A5143Y Z传送机专用轴承座、DTII03A5144传送机专用轴承座 —— 下一篇:DTII02A5083Y Z传送机专用轴承座、DTII02A5084传送机专用轴承座、DTII02A4101传送机专用轴承座、DTII02A4103Y Z传送机专用轴承座、DTII02A4104传送机专用轴承座、DTII02A5101传送机专用轴承座、DTII02A5103Y Z传送机专用轴承座、DTII02A5104传送机专用轴承座、DTII02A4121传送机专用轴承座、DTII02A4123Y Z传送机专用轴承座
返回搜轴承首页