RHD15C导轨滑块、RHD20C导轨滑块、RHD20CL导轨滑块、RHD25C导轨滑块、RHD25CL导轨滑块、RHD30C导轨滑块、RHD30CL导轨滑块、RHD35C导轨滑块、RHD35CL导轨滑块、RHD45C导轨滑块、RHD45CL导轨滑块、RHD55C导轨滑块、RHD55CL导轨滑块 — 搜轴承黑板报
搜轴承 -- 黑板报 -- RHD15C导轨滑块、RHD20C导轨滑块、RHD20CL导轨滑块、RHD2...

RHD15C导轨滑块、RHD20C导轨滑块、RHD20CL导轨滑块、RHD25C导轨滑块、RHD25CL导轨滑块、RHD30C导轨滑块、RHD30CL导轨滑块、RHD35C导轨滑块、RHD35CL导轨滑块、RHD45C导轨滑块、RHD45CL导轨滑块、RHD55C导轨滑块、RHD55CL导轨滑块

发布时间:2026-01-31

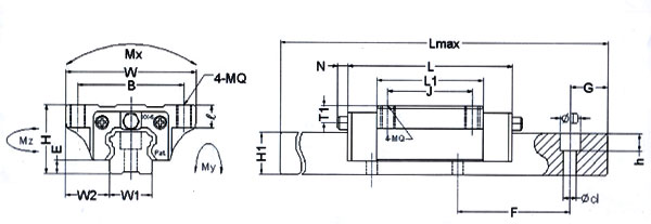
型号
组合尺寸
滑座尺寸
滑轨尺寸
H
W
W2
E
L
B×J

MQ×l

L1
油孔
T1
N
W1
H1
F
d×D×h
RHD15C
24
47
16
4.6
66
38×30
Ф4.5×8
40
Ф3
4.3
5
15
14
60
4.5×7.5×5.3
RHD20C
30
63
21.5
5
77.8
53×40
Ф5.5×9
48.8
M6×1
5
6.5
20
18
60
6×9.5×8.5
RHD20CL
92.4
63.4
RHD25C
36
70
23.5
7
88
57×45
Ф7×12
57
M6×1
5
6.5
23
22
60
7×11×9
RHD25CL
110.1
79.1
RHD30C
42
90
31
9
109
72×52
Ф9×12
72
M6×1
7
6.5
28
26
80
9×14×12
RHD30CL
131.3
94.3
RHD35C
48
100
33
9.5
116
82×62
Ф11×9
80.4
M6×1
8
6.5
34
29
80
9×14×12
RHD35CL
139.3 105.8
RHD45C
62
(60)
120
37.5
14
139
100×80
Ф13×15
102
M8×1
10
13
45
38
100
105
14×20×17
RHD45CL
170.8 129.8
RHD55C
70
140
43.5
15
170
116×95
Ф14×20
118
M8×1
11
13
53
44
120
16×23×20

热门文章:

SF0845汽车分离轴承、RCT40汽车分离轴承、40TRK30W1SB汽车分离轴承、40TRK30W1SB...
CKZ10889-31.5单向轴承、CKZ11078-35单向轴承、CKZ12092-38单向轴承、CKZ12055-40单向...
DTⅡZ1424输送机专用轴承座、DTⅡZ(A)1124输送机专用轴承座、DTⅡZ(A)1224输送...
GGB55AA螺纹孔带法兰标准长度滑块、GGB55AAL螺纹孔带法兰加长滑块、GGB55AB通...
F2000、F6001、F6002、F6003、F6004、F6005、F6006、F6007、F6008、F6009、F6010深沟球轴承

热门型号:RHP 7314 B/DF INA SL18 2228 SKF 6344M OKB 32638 OKB 29242/100K SNR 22205EAKW33 SKF 248/1800 CAK30FA/W20 SKF 23092 CA/W33 NKE 6218-2Z-N NSK EE275105/275155 NSK F-3014 KOYO KBA025 NSK QJ211 Rollway AW-209 MRC 317-R

上一篇:RHD-LG15C导轨滑块、RHD-LG20C导轨滑块、RHD-LG20CL导轨滑块、RHD-LG25C导轨滑块、RHD-LG25CL导轨滑块、RHD-LG30C导轨滑块、RHD-LG30CL导轨滑块、RHD-LG35C导轨滑块、RHD-LG35CL导轨滑块、RHD-LG45C导轨滑块、RHD-LG45CL导轨滑块、RHD-LG55C导轨滑块、RHD-LG55CL导轨滑块 —— 下一篇:RHD-LG15B滑块、RHD-LG20B滑块、RHD-LG20BL滑块、RHD-LG25B滑块、RHD-LG25BL滑块、RHD-LG30B滑块、RHD-LG30BL滑块、RHD-LG35B滑块、RHD-LG35BL滑块、RHD-LG45B滑块、RHD-LG45BL滑块、RHD-LG55B滑块、RHD-LG55BL滑块

返回搜轴承首页