发布时间:2026-05-15

|
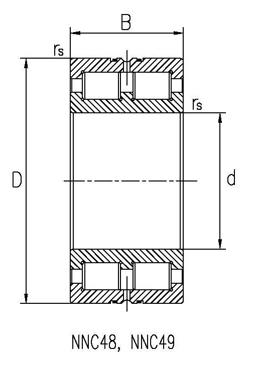
BEARINGPOWER 型号 |
外形尺寸(mm) |
基本负荷(KN) |
极限转速(r/min) |
重量(KG) | |||||
|
d |
D |
B |
rsmin |
动 |
静 | ||||
|
NNC4912V |
SL014912 |
60 |
85 |
25 |
1 |
71 |
125 |
4500 |
0.49 |
|
NNC4914V |
SL014914 |
70 |
100 |
30 |
1 |
108 |
189 |
3800 |
0.78 |
|
NNC4916V |
SL014916 |
80 |
110 |
30 |
1 |
115 |
211 |
3400 |
0.88 |
|
NNC4918V |
SL014918 |
90 |
125 |
35 |
1.1 |
155 |
295 |
3000 |
1.35 |
|
NNC4920V |
SL014920 |
100 |
140 |
40 |
1.1 |
196 |
380 |
2700 |
1.95 |
|
NNC4922V |
SL014922 |
110 |
150 |
40 |
1.1 |
204 |
410 |
2500 |
2.15 |
|
NNC4924V |
SL014924 |
120 |
165 |
45 |
1.1 |
228 |
455 |
2300 |
2.95 |
|
NNC4926V |
SL014926 |
130 |
180 |
50 |
1.5 |
265 |
530 |
2100 |
3.95 |
|
NNC4928V |
SL014928 |
140 |
190 |
50 |
1.5 |
275 |
570 |
2000 |
4.2 |
|
NNC4830V |
SL014830 |
150 |
190 |
40 |
1.1 |
237 |
550 |
1900 |
2.9 |
|
NNC4930V |
SL014930 |
150 |
210 |
60 |
2 |
415 |
840 |
1800 |
6.65 |
|
NNC4832V |
SL014832 |
160 |
200 |
40 |
2.1 |
243 |
580 |
1800 |
3.1 |
|
NNC4932V |
SL014932 |
160 |
220 |
60 |
2 |
435 |
900 |
1700 |
7 |
|
NNC4834V |
SL014834 |
170 |
215 |
45 |
1.1 |
265 |
620 |
1700 |
4.1 |
|
NNC4934V |
SL014934 |
170 |
230 |
60 |
2 |
445 |
950 |
1600 |
7.35 |
|
NNC4836V |
SL014836 |
180 |
225 |
45 |
1.1 |
275 |
660 |
1600 |
4.3 |
|
NNC4936V |
SL014936 |
180 |
250 |
69 |
2 |
580 |
1230 |
1500 |
10.8 |
|
NNC4838V |
SL014838 |
190 |
240 |
50 |
1.5 |
315 |
750 |
1500 |
5.65 |
|
NNC4938V |
SL014938 |
190 |
260 |
69 |
2 |
590 |
1290 |
1400 |
11.2 |
|
NNC4840V |
SL014840 |
200 |
250 |
50 |
1.5 |
325 |
790 |
1400 |
5.9 |
|
NNC4940V |
SL014940 |
200 |
280 |
80 |
2.1 |
690 |
1480 |
1400 |
15.8 |
|
NNC4844V |
SL014844 |
220 |
270 |
50 |
1.5 |
340 |
870 |
1300 |
6.4 |
|
NNC4944V |
SL014944 |
220 |
300 |
80 |
2.1 |
720 |
1590 |
1200 |
17.2 |
|
NNC4848V |
SL014848 |
240 |
300 |
60 |
2 |
520 |
1290 |
1200 |
10 |
|
NNC4948V |
SL014948 |
240 |
320 |
80 |
2.1 |
750 |
1740 |
1200 |
18.5 |
|
NNC4852V |
SL014852 |
260 |
320 |
60 |
2 |
540 |
1400 |
1100 |
11 |
|
NNC4952V |
SL014952 |
260 |
360 |
100 |
2.1 |
1120 |
2500 |
1000 |
32 |
|
NNC4856V |
SL014856 |
280 |
350 |
69 |
2 |
710 |
1860 |
1000 |
16 |
|
NNC4956V |
SL014956 |
280 |
380 |
100 |
2.1 |
1170 |
2700 |
1000 |
34 |
|
NNC4860V |
SL014860 |
300 |
380 |
80 |
2.1 |
830 |
2120 |
950 |
23 |
|
NNC4960V |
SL014960 |
300 |
420 |
118 |
3 |
1650 |
3800 |
900 |
53 |
|
NNC4864V |
SL014864 |
320 |
400 |
80 |
2.1 |
860 |
2280 |
900 |
24 |
|
NNC4964V |
SL014964 |
320 |
440 |
118 |
3 |
1720 |
4100 |
850 |
56 |
|
NNC4868V |
SL014868 |
340 |
420 |
80 |
2.1 |
880 |
2390 |
850 |
25.5 |
|
NNC4968V |
SL014968 |
340 |
460 |
118 |
3 |
1770 |
4300 |
800 |
59 |
|
NNC4872V |
SL014872 |
360 |
440 |
80 |
2.1 |
910 |
2550 |
800 |
27 |
|
NNC4972V |
SL014972 |
360 |
480 |
118 |
3 |
1810 |
4500 |
750 |
62.1 |
|
NNC4876V |
SL014876 |
380 |
480 |
100 |
2.1 |
1330 |
3550 |
750 |
45.5 |
|
NNC4976V |
SL014976 |
380 |
520 |
140 |
4 |
2280 |
5600 |
700 |
92.4 |
|
NNC4880V |
SL014880 |
400 |
500 |
100 |
2.1 |
1360 |
3700 |
700 |
46.5 |
|
NNC4980V |
SL014980 |
400 |
540 |
140 |
4 |
2340 |
5900 |
700 |
96.5 |
热门文章:
R14-2T3-FSI-335-416-0.008滚珠丝杠、R14-2T3-FSI-85-166-0.008滚珠丝杠、R14-4T3-FSI-148-23...
K38X43X17滚针轴承、K38X43X25滚针轴承、K38X43X27滚针轴承、K38X43X30滚针轴承、K...
JSA-LG15、JSA-LG20、JSA-LG20C、JSA-LG25、JSA-LG25C、JSA-LG30、JSA-LG30C、JSA-LG35
单向轴承ASNU17 49 2300 3400 1.9 47 19 40 2.4 1.2 0.8 5 2.3 17
单列四点接触球型回转支承(带外齿)SOR36/1485、SOR50/1653、SOR40/1803、SOR50/1971...