发布时间:2026-05-15



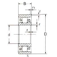
| 轴径 | 轴承型号 | 外形尺寸(mm | 基本额定负荷(N | 极限转速(rpm | 参考重量 | |||||
| (mm) | 新型号 | 原型号 | 内径 | 外径 | 宽度 | 动负荷 | 静负荷 | 脂润滑 | 油润滑 | (kg) |
| d | D | B | Mass | |||||||
| 25 | N205E | 2205E | 25 | 52 | 15 | 27.5 | 26.8 | 11000 | 14000 | 0.148 |
| N205EM | 2205EH | 25 | 52 | 15 | 27.5 | 26.8 | 11000 | 14000 | 0.155 | |
| N2205EM | 2505EH | 25 | 52 | 18 | 23.7 | 22.8 | 10000 | 14000 | 0.168 | |
| N2205EM | 2505EH | 25 | 52 | 18 | 23.7 | 22.8 | 10000 | 14000 | 0.168 | |
| N2305EM | 2605EH | 25 | 62 | 24 | 42.7 | 40.9 | 9000 | 12000 | 0.4 | |
| 30 | N206E | 2206E | 30 | 62 | 16 | 36 | 35.6 | 8500 | 11000 | 0.22 |
| N206EM | 2206EH | 30 | 62 | 16 | 36 | 35.6 | 8500 | 11000 | 0.24 | |
| N306E | 2306E | 30 | 72 | 19 | 49.2 | 48.2 | 8000 | 10000 | 0.38 | |
| N306EM | 2306EH | 30 | 72 | 19 | 49.2 | 48.2 | 8000 | 10000 | 0.41 | |
| N2206EM | 2506EH | 30 | 62 | 20 | 23.9 | 33.1 | 7500 | 11000 | 0.3 | |
| N2306EM | 2606EH | 30 | 72 | 27 | 51.4 | 50.8 | 8000 | 10000 | 0.6 | |
| 35 | N207E | 2207E | 35 | 72 | 17 | 46.5 | 48 | 7500 | 9500 | 0.344 |
| N207EM | 2207EH | 35 | 72 | 17 | 46.5 | 48 | 7500 | 9500 | 0.36 | |
| N307E | 2307E | 35 | 80 | 21 | 62 | 63.2 | 7000 | 9000 | 0.49 | |
| N307EM | 2307EH | 35 | 80 | 21 | 62 | 63.2 | 7000 | 9000 | 0.54 | |
| N2207EM | 2507EH | 35 | 72 | 23 | 49 | 51.2 | 6500 | 9500 | 0.45 | |
| 40 | N208E | 2208E | 40 | 80 | 18 | 51.5 | 53 | 7000 | 9000 | 0.39 |
| N208EM | 2208EH | 40 | 80 | 18 | 51.5 | 53 | 7000 | 9000 | 0.44 | |
| N308E | 2308E | 40 | 90 | 23 | 76.8 | 77.8 | 6300 | 8000 | 0.65 | |
| N308EM | 2308EH | 40 | 90 | 23 | 76.8 | 77.8 | 6300 | 8000 | 0.71 | |
| N2208EM | 2508EH | 40 | 80 | 23 | 58.3 | 62 | 6000 | 9000 | 0.49 | |
| 45 | N209E | 2209E | 45 | 85 | 19 | 58.5 | 63.8 | 6300 | 8000 | 0.52 |
| N209EM | 2209EH | 45 | 85 | 19 | 58.5 | 63.8 | 6300 | 8000 | 0.53 | |
| N309E | 2309E | 45 | 100 | 45 | 93 | 98 | 5600 | 7000 | 0.95 | |
| N309EM | 2309EH | 45 | 100 | 45 | 93 | 98 | 5600 | 7000 | 0.98 | |
| N2209EM | 2209EH | 45 | 85 | 23 | 61.4 | 67.8 | 5300 | 8000 | 0.54 | |
| N2309EM | 2609EH | 45 | 100 | 36 | 106 | 113 | 5600 | 7000 | 1.51 | |
| 50 | N210E | 2210E | 50 | 90 | 20 | 61.2 | 69.2 | 6000 | 7500 | 0.56 |
| N210EM | 2210EH | 50 | 90 | 20 | 61.2 | 69.2 | 6000 | 7500 | 0.58 | |
| N310E | 2310E | 50 | 110 | 27 | 105 | 112 | 5300 | 6700 | 1.2 | |
| N310EM | 2310EH | 50 | 110 | 27 | 105 | 112 | 5300 | 6700 | 1.31 | |
| N2210EM | 2510EH | 50 | 90 | 23 | 64.2 | 73.6 | 5000 | 7500 | 0.65 | |
| N2310EM | 2610EH | 50 | 110 | 40 | 128 | 142 | 5300 | 6700 | 2.01 | |
| 55 | N211E | 2211E | 55 | 100 | 21 | 80.2 | 95.5 | 5300 | 6700 | 0.62 |
| N211EM | 2211EH | 55 | 100 | 21 | 80.2 | 95.5 | 5300 | 6700 | 0.63 | |
| N311E | 2311E | 55 | 120 | 29 | 128 | 138 | 480 | 6000 | 1.61 | |
| N311EM | 2311EH | 55 | 120 | 29 | 128 | 138 | 480 | 6000 | 1.7 | |
| N2211EM | 2511EH | 55 | 100 | 25 | 75.3 | 87.2 | 4300 | 6700 | 0.77 | |
| 60 | N212E | 2212E | 60 | 110 | 22 | 89.8 | 102 | 5000 | 6300 | 0.84 |
| N212EM | 2212EH | 60 | 110 | 22 | 89.8 | 102 | 5000 | 6300 | 0.95 | |
| N312E | 2312E | 60 | 130 | 31 | 142 | 155 | 4500 | 5600 | 1.94 | |
| N312EM | 2312EH | 60 | 130 | 31 | 142 | 155 | 4500 | 5600 | 2.07 | |
| N2212EM | 2512EH | 60 | 110 | 28 | 101 | 123 | 4000 | 6300 | 1.09 | |
| N2312EM | 2612EH | 60 | 130 | 46 | 168 | 188 | 4500 | 5600 | 3.83 | |
| 65 | N313E | 2313E | 65 | 140 | 33 | 170 | 188 | 4000 | 5000 | 2.42 |
| N313EM | 2313EH | 65 | 140 | 33 | 170 | 188 | 4000 | 5000 | 2.58 | |
| 70 | N314E | 2314E | 70 | 150 | 35 | 195 | 220 | 3800 | 4800 | 2.9 |
| N314EM | 2314EH | 70 | 150 | 35 | 195 | 220 | 3800 | 4800 | 3.04 | |
| 75 | N315E | 2315E | 75 | 160 | 37 | 228 | 260 | 3600 | 4500 | 3.59 |
| N315EM | 2315EH | 75 | 160 | 37 | 228 | 260 | 3600 | 4500 | 3.88 | |
热门文章:
UCWP201轴承、UCWP202轴承、UCWP203轴承、UCP201轴承、UCP202轴承、UCP203轴承、UCP2...
DDRIF-6632ZZ轴承NMB、DDRIF-814轴承NMB、DDRIF-814ZZ轴承NMB、DDRIF-8516轴承NMB、DDRIF-8...
BRH35A直线导轨ABBA、BRH35AL直线导轨ABBA、BRH45A直线导轨ABBA、BRH45AL直线导轨AB...
30338D轴承、E32940J轴承、E32040J轴承、E30240J轴承、E32240J轴承、30340轴承、3234...
FIG..I万向节轴承