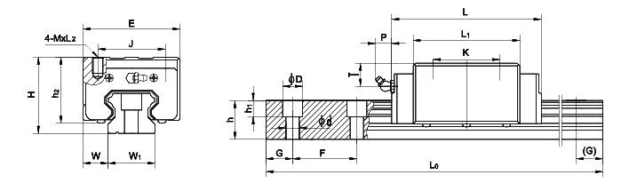
| N、NL型参数表: |
| 公称型号 |
RA15N |
| 组配尺寸 |
H |
28 |
| h2 |
24.5 |
| L |
59 |
| W |
9.5 |
| 滑块尺寸 |
宽度E |
34 |
| 长度L1 |
39 |
| 滑块安装孔间距 J×K |
26×26 |
| 安装孔 |
M×L2 |
M4×5 |
| P |
5.5 |
| T |
8.3 |
| h |
15 |
| 导轨尺寸 |
W1 |
15 |
| 安装螺栓孔d×D×h1 |
4.5×7.5×5.3 |
| 孔距F |
60 |
| G(推荐) |
20 |
| 单根导轨大长度L0 |
2500 |
| 基本额定载荷 |
动载C(kN) |
8.21 |
| 静载C0(kN) |
12.7 |
| 单个滑块允许静力矩 |
MA(N.m) |
79.3 |
| MB(N.m) |
79.3 |
| MC(N.m) |
82.4 |
| 重量 |
法兰滑块(kg) |
0.18 |
| 导轨(kg/m) |
1.5 |
|
| N、NL型参数表: |
| 公称型号 |
RA20N |
| 组配尺寸 |
H |
30 |
| h2 |
26.3 |
| L |
78 |
| W |
12 |
| 滑块尺寸 |
宽度E |
44 |
| 长度L1 |
51 |
| 滑块安装孔间距 J×K |
32×36 |
| 安装孔 |
M×L2 |
M5×6 |
| P |
12 |
| T |
6 |
| h |
18 |
| 导轨尺寸 |
W1 |
20 |
| 安装螺栓孔d×D×h1 |
6×9.5×8.5 |
| 孔距F |
60 |
| G(推荐) |
20 |
| 单根导轨大长度L0 |
3000 |
| 基本额定载荷 |
动载C(kN) |
13.5 |
| 静载C0(kN) |
23.1 |
| 单个滑块允许静力矩 |
MA(N.m) |
148 |
| MB(N.m) |
148 |
| MC(N.m) |
193 |
| 重量 |
法兰滑块(kg) |
0.25 |
| 导轨(kg/m) |
2.3 |
|
| N、NL型参数表: |
| 公称型号 |
RA20NL |
| 组配尺寸 |
H |
30 |
| h2 |
26.3 |
| L |
94 |
| W |
12 |
| 滑块尺寸 |
宽度E |
44 |
| 长度L1 |
67 |
| 滑块安装孔间距 J×K |
32×50 |
| 安装孔 |
M×L2 |
M5×6 |
| P |
12 |
| T |
6 |
| h |
18 |
| 导轨尺寸 |
W1 |
20 |
| 安装螺栓孔d×D×h1 |
6×9.5×8.5 |
| 孔距F |
60 |
| G(推荐) |
20 |
| 单根导轨大长度L0 |
3000 |
| 基本额定载荷 |
动载C(kN) |
21 |
| 静载C0(kN) |
30.5 |
| 单个滑块允许静力矩 |
MA(N.m) |
298 |
| MB(N.m) |
298 |
| MC(N.m) |
332 |
| 重量 |
法兰滑块(kg) |
0.35 |
| 导轨(kg/m) |
2.3 |
|
| N、NL型参数表: |
| 公称型号 |
RA25N |
| 组配尺寸 |
H |
40 |
| h2 |
35 |
| L |
87 |
| W |
12.5 |
| 滑块尺寸 |
宽度E |
48 |
| 长度L1 |
59 |
| 滑块安装孔间距 J×K |
35×35 |
| 安装孔 |
M×L2 |
M6×8 |
| P |
12 |
| T |
10.8 |
| h |
22 |
| 导轨尺寸 |
W1 |
23 |
| 安装螺栓孔d×D×h1 |
7×11×9 |
| 孔距F |
60 |
| G(推荐) |
20 |
| 单根导轨大长度L0 |
3000 |
| 基本额定载荷 |
动载C(kN) |
18.6 |
| 静载C0(kN) |
32.6 |
| 单个滑块允许静力矩 |
MA(N.m) |
252 |
| MB(N.m) |
252 |
| MC(N.m) |
315 |
| 重量 |
法兰滑块(kg) |
0.54 |
| 导轨(kg/m) |
3.3 | |
| N、NL型参数表: |
| 公称型号 |
RA25NL |
| 组配尺寸 |
H |
40 |
| h2 |
35 |
| L |
106 |
| W |
12.5 |
| 滑块尺寸 |
宽度E |
48 |
| 长度L1 |
78 |
| 滑块安装孔间距 J×K |
35×50 |
| 安装孔 |
M×L2 |
M6×8 |
| P |
12 |
| T |
10.8 |
| h |
22 |
| 导轨尺寸 |
W1 |
23 |
| 安装螺栓孔d×D×h1 |
7×11×9 |
| 孔距F |
60 |
| G(推荐) |
20 |
| 单根导轨大长度L0 |
3000 |
| 基本额定载荷 |
动载C(kN) |
25.8 |
| 静载C0(kN) |
45.1 |
| 单个滑块允许静力矩 |
MA(N.m) |
455 |
| MB(N.m) |
455 |
| MC(N.m) |
511 |
| 重量 |
法兰滑块(kg) |
0.67 |
| 导轨(kg/m) |
3.3 |
|
| N、NL型参数表: |
| 公称型号 |
RA30N |
| 组配尺寸 |
H |
45 |
| h2 |
38.4 |
| L |
100 |
| W |
16 |
| 滑块尺寸 |
宽度E |
60 |
| 长度L1 |
70 |
| 滑块安装孔间距 J×K |
40×40 |
| 安装孔 |
M×L2 |
M8×10 |
| P |
12 |
| T |
9.5 |
| h |
26 |
| 导轨尺寸 |
W1 |
28 |
| 安装螺栓孔d×D×h1 |
9×14×12 |
| 孔距F |
80 |
| G(推荐) |
20 |
| 单根导轨大长度L0 |
3000 |
| 基本额定载荷 |
动载C(kN) |
27.5 |
| 静载C0(kN) |
45.2 |
| 单个滑块允许静力矩 |
MA(N.m) |
431 |
| MB(N.m) |
431 |
| MC(N.m) |
635 |
| 重量 |
法兰滑块(kg) |
0.9 |
| 导轨(kg/m) |
4.8 |
|
| N、NL型参数表: |
| 公称型号 |
RA30NL |
| 组配尺寸 |
H |
45 |
| h2 |
38.4 |
| L |
122 |
| W |
16 |
| 滑块尺寸 |
宽度E |
60 |
| 长度L1 |
92 |
| 滑块安装孔间距 J×K |
40×60 |
| 安装孔 |
M×L2 |
M8×10 |
| P |
12 |
| T |
9.5 |
| h |
26 |
| 导轨尺寸 |
W1 |
28 |
| 安装螺栓孔d×D×h1 |
9×14×12 |
| 孔距F |
80 |
| G(推荐) |
20 |
| 单根导轨大长度L0 |
3000 |
| 基本额定载荷 |
动载C(kN) |
35.6 |
| 静载C0(kN) |
61.5 |
| 单个滑块允许静力矩 |
MA(N.m) |
725 |
| MB(N.m) |
725 |
| MC(N.m) |
856 |
| 重量 |
法兰滑块(kg) |
1.1 |
| 导轨(kg/m) |
4.8 |
|
| N、NL型参数表: |
| 公称型号 |
RA35N |
| 组配尺寸 |
H |
55 |
| h2 |
47.4 |
| L |
112 |
| W |
18 |
| 滑块尺寸 |
宽度E |
70 |
| 长度L1 |
80 |
| 滑块安装孔间距 J×K |
50×50 |
| 安装孔 |
M×L2 |
M8×12 |
| P |
12 |
| T |
15 |
| h |
29 |
| 导轨尺寸 |
W1 |
34 |
| 安装螺栓孔d×D×h1 |
9×14×12 |
| 孔距F |
80 |
| G(推荐) |
20 |
| 单根导轨大长度L0 |
3000 |
| 基本额定载荷 |
动载C(kN) |
36.8 |
| 静载C0(kN) |
60.5 |
| 单个滑块允许静力矩 |
MA(N.m) |
636 |
| MB(N.m) |
636 |
| MC(N.m) |
987 |
| 重量 |
法兰滑块(kg) |
1.5 |
| 导轨(kg/m) |
6.6 | |
| N、NL型参数表: |
| 公称型号 |
RA35NL |
| 组配尺寸 |
H |
55 |
| h2 |
47.4 |
| L |
137 |
| W |
18 |
| 滑块尺寸 |
宽度E |
70 |
| 长度L1 |
105 |
| 滑块安装孔间距 J×K |
50×72 |
| 安装孔 |
M×L2 |
M8×12 |
| P |
12 |
| T |
15 |
| h |
29 |
| 导轨尺寸 |
W1 |
34 |
| 安装螺栓孔d×D×h1 |
9×14×12 |
| 孔距F |
80 |
| G(推荐) |
20 |
| 单根导轨大长度L0 |
3000 |
| 基本额定载荷 |
动载C(kN) |
49.3 |
| 静载C0(kN) |
80.6 |
| 单个滑块允许静力矩 |
MA(N.m) |
1022 |
| MB(N.m) |
1022 |
| MC(N.m) |
1385 |
| 重量 |
法兰滑块(kg) |
2 |
| 导轨(kg/m) |
6.6 |
|
| N、NL型参数表: |
| 公称型号 |
RA45N |
| 组配尺寸 |
H |
70 |
| h2 |
61.4 |
| L |
138 |
| W |
20.5 |
| 滑块尺寸 |
宽度E |
86 |
| 长度L1 |
98 |
| 滑块安装孔间距 J×K |
60×60 |
| 安装孔 |
M×L2 |
M10×17 |
| P |
16 |
| T |
20 |
| h |
38 |
| 导轨尺寸 |
W1 |
45 |
| 安装螺栓孔d×D×h1 |
14×20×17 |
| 孔距F |
105(100) |
| G(推荐) |
25 |
| 单根导轨大长度L0 |
3000 |
| 基本额定载荷 |
动载C(kN) |
58.5 |
| 静载C0(kN) |
93.5 |
| 单个滑块允许静力矩 |
MA(N.m) |
1225 |
| MB(N.m) |
1225 |
| MC(N.m) |
1862 |
| 重量 |
法兰滑块(kg) |
2.6 |
| 导轨(kg/m) |
11 |
|
| N、NL型参数表: |
| 公称型号 |
RA45NL |
| 组配尺寸 |
H |
70 |
| h2 |
61.4 |
| L |
170 |
| W |
20.5 |
| 滑块尺寸 |
宽度E |
86 |
| 长度L1 |
130 |
| 滑块安装孔间距 J×K |
60×80 |
| 安装孔 |
M×L2 |
M10×17 |
| P |
16 |
| T |
20 |
| h |
38 |
| 导轨尺寸 |
W1 |
45 |
| 安装螺栓孔d×D×h1 |
14×20×17 |
| 孔距F |
105(100) |
| G(推荐) |
25 |
| 单根导轨大长度L0 |
3000 |
| 基本额定载荷 |
动载C(kN) |
78.2 |
| 静载C0(kN) |
118 |
| 单个滑块允许静力矩 |
MA(N.m) |
1851 |
| MB(N.m) |
1851 |
| MC(N.m) |
2546 |
| 重量 |
法兰滑块(kg) |
3.1 |
| 导轨(kg/m) |
11 |
|
| N、NL型参数表: |
| 公称型号 |
RA55N |
| 组配尺寸 |
H |
80 |
| h2 |
67.4 |
| L |
162 |
| W |
23.5 |
| 滑块尺寸 |
宽度E |
100 |
| 长度L1 |
118 |
| 滑块安装孔间距 J×K |
75×75 |
| 安装孔 |
M×L2 |
M12×18 |
| P |
16 |
| T |
20.8 |
| h |
44 |
| 导轨尺寸 |
W1 |
53 |
| 安装螺栓孔d×D×h1 |
16×23×20 |
| 孔距F |
120 |
| G(推荐) |
30 |
| 单根导轨大长度L0 |
3000 |
| 基本额定载荷 |
动载C(kN) |
87.3 |
| 静载C0(kN) |
135 |
| 单个滑块允许静力矩 |
MA(N.m) |
2011 |
| MB(N.m) |
2011 |
| MC(N.m) |
3422 |
| 重量 |
法兰滑块(kg) |
4.5 |
| 导轨(kg/m) |
15.1 | |
| N、NL型参数表: |
| 公称型号 |
RA55NL |
| 组配尺寸 |
H |
80 |
| h2 |
67.4 |
| L |
200 |
| W |
23.5 |
| 滑块尺寸 |
宽度E |
100 |
| 长度L1 |
156 |
| 滑块安装孔间距 J×K |
75×95 |
| 安装孔 |
M×L2 |
M12×18 |
| P |
16 |
| T |
20.8 |
| h |
44 |
| 导轨尺寸 |
W1 |
53 |
| 安装螺栓孔d×D×h1 |
16×23×20 |
| 孔距F |
120 |
| G(推荐) |
30 |
| 单根导轨大长度L0 |
3000 |
| 基本额定载荷 |
动载C(kN) |
116.4 |
| 静载C0(kN) |
178 |
| 单个滑块允许静力矩 |
MA(N.m) |
3798 |
| MB(N.m) |
3798 |
| MC(N.m) |
4623 |
| 重量 |
法兰滑块(kg) |
5.6 |
| 导轨(kg/m) |
15.1 |
|
| N、NL型参数表: |
| 公称型号 |
RA65N |
| 组配尺寸 |
H |
90 |
| h2 |
77.2 |
| L |
207 |
| W |
31.5 |
| 滑块尺寸 |
宽度E |
126 |
| 长度L1 |
147 |
| 滑块安装孔间距 J×K |
76×70 |
| 安装孔 |
M×L2 |
M16×20 |
| P |
16 |
| T |
15.5 |
| h |
53 |
| 导轨尺寸 |
W1 |
63 |
| 安装螺栓孔d×D×h1 |
18×26×22 |
| 孔距F |
150 |
| G(推荐) |
35 |
| 单根导轨大长度L0 |
3000 |
| 基本额定载荷 |
动载C(kN) |
126 |
| 静载C0(kN) |
192 |
| 单个滑块允许静力矩 |
MA(N.m) |
4012 |
| MB(N.m) |
4012 |
| MC(N.m) |
6491 |
| 重量 |
法兰滑块(kg) |
7.3 |
| 导轨(kg/m) |
22.5 |
|
| N、NL型参数表: |
| 公称型号 |
RA65NL |
| 组配尺寸 |
H |
90 |
| h2 |
77.2 |
| L |
267 |
| W |
31.5 |
| 滑块尺寸 |
宽度E |
126 |
| 长度L1 |
207 |
| 滑块安装孔间距 J×K |
76×120 |
| 安装孔 |
M×L2 |
M16×20 |
| P |
16 |
| T |
15.5 |
| h |
53 |
| 导轨尺寸 |
W1 |
63 |
| 安装螺栓孔d×D×h1 |
18×26×22 |
| 孔距F |
150 |
| G(推荐) |
35 |
| 单根导轨大长度L0 |
3000 |
| 基本额定载荷 |
动载C(kN) |
168 |
| 静载C0(kN) |
237 |
| 单个滑块允许静力矩 |
MA(N.m) |
7011 |
| MB(N.m) |
7011 |
| MC(N.m) |
8646 |
| 重量 |
法兰滑块(kg) |
9.3 |
| 导轨(kg/m) |
22.5 |
|
| N、NL型参数表: |
| 公称型号 |
RA85N |
| 组配尺寸 |
H |
110 |
| h2 |
95.8 |
| L |
249 |
| W |
35.5 |
| 滑块尺寸 |
宽度E |
156 |
| 长度L1 |
179 |
| 滑块安装孔间距 J×K |
100×80 |
| 安装孔 |
M×L2 |
M18×25 |
| P |
16 |
| T |
23 |
| h |
65 |
| 导轨尺寸 |
W1 |
85 |
| 安装螺栓孔d×D×h1 |
24×35×28 |
| 孔距F |
180 |
| G(推荐) |
45 |
| 单根导轨大长度L0 |
3000 |
| 基本额定载荷 |
动载C(kN) |
193 |
| 静载C0(kN) |
286 |
| 单个滑块允许静力矩 |
MA(N.m) |
9981 |
| MB(N.m) |
9981 |
| MC(N.m) |
11026 |
| 重量 |
法兰滑块(kg) |
13 |
| 导轨(kg/m) |
35.2 | |