发布时间:2026-03-22
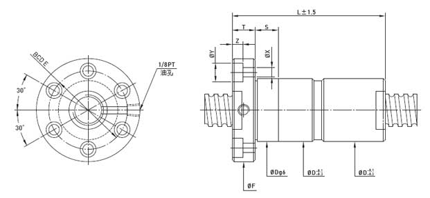
| 型号 | 规格 | 珠径 | 珠卷数 | 刚性 | 基本额定 | 螺帽 | 法兰 | 法兰孔 | 接触 | ||||||||
| K | 动载 | 静载 | D | L | F | T | BCD-E | X | Y | Z | 面长 | ||||||
| 外径 | 导程 | C(kgf) | Co(kgf) | S | |||||||||||||
| 16-5T3 | 16 | 5 | 3.175 | 3 | 20 | 731 | 1331 | 28 | 30 | 78 | 54 | 12 | 41 | 5.5 | 9.5 | 5.5 | 24 |
| 16-5T4 | 16 | 5 | 3.175 | 4 | 23 | 936 | 1775 | 28 | 30 | 90 | 54 | 12 | 41 | 5.5 | 9.5 | 5.5 | 24 |
| 20-5T3 | 20 | 5 | 3.175 | 3 | 39 | 852 | 1767 | 32 | 34 | 78 | 57 | 12 | 45 | 5.5 | 9.5 | 5.5 | 24 |
| 20-5T4 | 20 | 5 | 3.175 | 4 | 54 | 1091 | 2356 | 32 | 34 | 92 | 57 | 12 | 45 | 5.5 | 9.5 | 5.5 | 24 |
| 20-6T3 | 20 | 6 | 3.969 | 3 | 39 | 1091 | 2081 | 34 | 36 | 89 | 60 | 12 | 48 | 5.5 | 9.5 | 5.5 | 24 |
| 20-6T4 | 20 | 6 | 3.969 | 4 | 54 | 1398 | 2774 | 34 | 36 | 109 | 60 | 12 | 48 | 5.5 | 9.5 | 5.5 | 24 |
| 25-2.5T5 | 25 | 2.5 | 2 | 5 | 66 | 716 | 2117 | 35 | 40 | 87 | 65 | 10 | 51 | 6.6 | 11 | 6.5 | 24 |
| 25-5T3 | 25 | 5 | 3.175 | 3 | 55 | 977 | 2314 | 37 | 40 | 78 | 64 | 12 | 52 | 5.5 | 9.5 | 5.5 | 24 |
| 25-5T4 | 25 | 5 | 3.175 | 4 | 73 | 1252 | 3085 | 37 | 40 | 96 | 64 | 12 | 52 | 5.5 | 9.5 | 5.5 | 24 |
| 25-6T3 | 25 | 6 | 3.969 | 3 | 56 | 1272 | 2763 | 38 | 42 | 89 | 65 | 12 | 53 | 5.5 | 9.5 | 5.5 | 24 |
| 25-6T4 | 25 | 6 | 3.969 | 4 | 75 | 1628 | 3682 | 38 | 42 | 109 | 65 | 12 | 53 | 5.5 | 9.5 | 5.5 | 24 |
| 25-10T3 | 25 | 10 | 4.763 | 3 | 49 | 1643 | 3265 | 47 | 51 | 140 | 74 | 15 | 60 | 6.6 | 11 | 6.5 | 24 |
| 28-5T5 | 28 | 5 | 3.175 | 5 | 86 | 1619 | 4404 | 45 | 50 | 110 | 74 | 12 | 62 | 5.5 | 9.5 | 5.5 | 24 |
| 28-10T4 | 28 | 10 | 4.763 | 4 | 70 | 2199 | 4969 | 45 | 50 | 150 | 74 | 12 | 61 | 6.6 | 11 | 6.5 | 24 |
| 32-2.5T6 | 32 | 2.5 | 2 | 6 | 97 | 928 | 3339 | 45 | 51 | 106 | 74 | 12 | 62 | 5.5 | 9.5 | 5.5 | 24 |
| 32-5T3 | 32 | 5 | 3.175 | 3 | 64 | 1117 | 3081 | 44 | 48 | 78 | 74 | 12 | 60 | 6.6 | 11 | 6.5 | 24 |
| 32-5T4 | 32 | 5 | 3.175 | 4 | 82 | 1431 | 4108 | 44 | 48 | 96 | 74 | 12 | 60 | 6.6 | 11 | 6.5 | 24 |
| 32-5T6 | 32 | 5 | 3.175 | 6 | 121 | 2027 | 6162 | 44 | 48 | 118 | 74 | 12 | 60 | 6.6 | 11 | 6.5 | 24 |
| 32-5.08T4 | 32 | 5.08 | 3.175 | 4 | 82 | 1430 | 4108 | 44 | 48 | 96 | 74 | 12 | 60 | 6.6 | 11 | 6.5 | 24 |
| 32-6T3 | 32 | 6 | 3.969 | 3 | 65 | 1446 | 3620 | 45 | 50 | 89 | 76 | 12 | 62 | 6.6 | 11 | 6.5 | 24 |
| 32-6T4 | 32 | 6 | 3.969 | 4 | 84 | 1852 | 4826 | 45 | 50 | 109 | 76 | 12 | 62 | 6.6 | 11 | 6.5 | 24 |
| 32-6T6 | 32 | 6 | 3.969 | 6 | 125 | 2625 | 7239 | 45 | 50 | 137 | 76 | 12 | 62 | 6.6 | 11 | 6.5 | 24 |
| 32-8T3 | 32 | 8 | 4.763 | 3 | 68 | 1810 | 4227 | 47 | 52 | 110 | 78 | 16 | 64 | 6.6 | 11 | 6.5 | 24 |
| 32-8T4 | 32 | 8 | 4.763 | 4 | 82 | 2317 | 5635 | 47 | 52 | 136 | 78 | 16 | 64 | 6.6 | 11 | 6.5 | 24 |
| 32-10T3 | 32 | 10 | 6.35 | 3 | 68 | 2539 | 5327 | 51 | 56 | 129 | 82 | 16 | 68 | 6.6 | 11 | 6.5 | 24 |
| 32-10T4 | 32 | 10 | 6.35 | 4 | 82 | 3252 | 7102 | 51 | 56 | 155 | 82 | 16 | 68 | 6.6 | 11 | 6.5 | 24 |
| 40-5T4 | 40 | 5 | 3.175 | 4 | 99 | 1599 | 5280 | 51 | 54 | 96 | 80 | 16 | 66 | 6.6 | 11 | 6.5 | 24 |
| 40-5T6 | 40 | 5 | 3.175 | 6 | 146 | 2265 | 7919 | 51 | 54 | 122 | 80 | 16 | 66 | 6.6 | 11 | 6.5 | 24 |
| 40-6T4 | 40 | 6 | 3.969 | 4 | 100 | 2136 | 6420 | 53 | 56 | 113 | 88 | 16 | 72 | 9 | 14 | 8.5 | 30 |
| 40-6T6 | 40 | 6 | 3.969 | 6 | 148 | 3028 | 9630 | 53 | 56 | 141 | 88 | 16 | 72 | 9 | 14 | 8.5 | 30 |
| 40-8T4 | 40 | 8 | 4.763 | 4 | 102 | 2728 | 7596 | 55 | 60 | 136 | 92 | 16 | 75 | 9 | 14 | 8.5 | 30 |
| 40-8T6 | 40 | 8 | 4.763 | 6 | 150 | 3866 | 11394 | 55 | 60 | 178 | 92 | 16 | 75 | 9 | 14 | 8.5 | 30 |
| 40-10T3 | 40 | 10 | 6.35 | 3 | 76 | 2959 | 7069 | 60 | 65 | 133 | 96 | 16 | 80 | 9 | 14 | 8.5 | 30 |
| 40-10T4 | 40 | 10 | 6.35 | 4 | 101 | 3789 | 9426 | 60 | 65 | 155 | 96 | 16 | 80 | 9 | 14 | 8.5 | 30 |
| 40-10T4 | 40 | 10 | 6.35 | 5 | 119 | 4590 | 1178 | 60 | 65 | 192 | 96 | 16 | 80 | 9 | 14 | 8.5 | 30 |
| 40-12T3 | 40 | 12 | 6.35 | 3 | 73 | 2958 | 7069 | 58 | 60 | 160 | 96 | 18 | 80 | 9 | 14 | 8.5 | 30 |
| 40-12T4 | 40 | 12 | 6.35 | 4 | 101 | 3789 | 9425 | 58 | 60 | 186 | 96 | 18 | 80 | 9 | 14 | 8.5 | 30 |
| 45-10T4 | 45 | 10 | 7.144 | 4 | 108 | 4683 | 11930 | 68 | 70 | 160 | 110 | 18 | 90 | 11 | 17.5 | 11 | 30 |
| 45-12T3 | 45 | 12 | 6.35 | 3 | 80 | 3115 | 7952 | 68 | 70 | 183 | 110 | 16 | 90 | 11 | 17.5 | 11 | 30 |
| 45-16T3 | 45 | 16 | 7.144 | 3 | 82 | 3656 | 8947 | 68 | 70 | 183 | 110 | 16 | 90 | 11 | 17.5 | 11 | 30 |
| 50-5T4 | 50 | 5 | 3.175 | 4 | 121 | 1757 | 6745 | 62 | 65 | 96 | 96 | 16 | 80 | 9 | 14 | 8.5 | 30 |
| 50-5T6 | 50 | 5 | 3.175 | 6 | 177 | 2490 | 10117 | 62 | 65 | 122 | 96 | 16 | 80 | 9 | 14 | 8.5 | 30 |
| 50-6T4 | 50 | 6 | 3.969 | 4 | 123 | 2388 | 8250 | 64 | 68 | 113 | 100 | 16 | 84 | 9 | 14 | 8.5 | 30 |
| 50-6T6 | 50 | 6 | 3.969 | 6 | 179 | 3384 | 12375 | 64 | 68 | 147 | 100 | 16 | 84 | 9 | 14 | 8.5 | 30 |
| 50-8T4 | 50 | 8 | 4.763 | 4 | 122 | 2998 | 9578 | 65 | 70 | 136 | 102 | 16 | 85 | 9 | 14 | 8.5 | 30 |
| 50-8T6 | 50 | 8 | 4.763 | 6 | 178 | 4249 | 14367 | 65 | 70 | 178 | 102 | 16 | 85 | 9 | 14 | 8.5 | 30 |
| 50-10T3 | 50 | 10 | 6.35 | 3 | 95 | 3397 | 9256 | 69 | 74 | 135 | 114 | 18 | 92 | 11 | 17.5 | 11 | 40 |
| 50-10T4 | 50 | 10 | 6.35 | 4 | 124 | 4350 | 12341 | 69 | 74 | 157 | 114 | 18 | 92 | 11 | 17.5 | 11 | 40 |
| 50-10T6 | 50 | 10 | 6.35 | 6 | 184 | 6165 | 18511 | 69 | 74 | 203 | 114 | 18 | 92 | 11 | 71.5 | 11 | 40 |
| 50-12T3 | 50 | 12 | 7.938 | 3 | 94 | 4420 | 11047 | 73 | 78 | 158 | 118 | 18 | 96 | 11 | 17.5 | 11 | 40 |
| 50-12T4 | 50 | 12 | 7.938 | 4 | 124 | 5660 | 14730 | 73 | 78 | 184 | 118 | 18 | 96 | 11 | 17.5 | 11 | 40 |
| 63-6T4 | 63 | 6 | 3.969 | 4 | 148 | 2674 | 10542 | 78 | 80 | 115 | 119 | 18 | 98 | 11 | 17.5 | 11 | 40 |
| 63-6T6 | 63 | 6 | 3.969 | 6 | 220 | 3704 | 15813 | 78 | 80 | 143 | 119 | 18 | 98 | 11 | 17.5 | 11 | 40 |
| 63-8T4 | 63 | 8 | 4.763 | 4 | 152 | 3395 | 12541 | 79 | 82 | 138 | 122 | 18 | 100 | 11 | 17.5 | 11 | 40 |
| 63-8T6 | 63 | 8 | 4.763 | 6 | 222 | 4812 | 18811 | 79 | 82 | 180 | 122 | 18 | 100 | 11 | 17.5 | 11 | 40 |
| 63-10T4 | 63 | 10 | 6.35 | 4 | 158 | 4860 | 15858 | 82 | 88 | 159 | 134 | 20 | 110 | 14 | 20 | 13 | 40 |
| 63-10T6 | 63 | 10 | 6.35 | 6 | 228 | 6887 | 23786 | 82 | 88 | 205 | 134 | 20 | 110 | 14 | 20 | 13 | 40 |
| 63-12T4 | 63 | 12 | 7.938 | 4 | 152 | 6479 | 19293 | 86 | 92 | 186 | 138 | 20 | 114 | 14 | 20 | 13 | 40 |
| 63-12T6 | 63 | 12 | 7.938 | 6 | 224 | 9182 | 28939 | 86 | 92 | 242 | 138 | 20 | 114 | 14 | 20 | 13 | 40 |
| 80-10T4 | 80 | 10 | 6.35 | 4 | 190 | 5559 | 21118 | 99 | 105 | 172 | 152 | 20 | 127 | 14 | 20 | 13 | 40 |
| 80-10T6 | 80 | 10 | 6.35 | 6 | 277 | 7879 | 31677 | 99 | 105 | 214 | 152 | 20 | 127 | 14 | 20 | 13 | 40 |
| 80-12T4 | 80 | 12 | 7.938 | 4 | 192 | 7430 | 25681 | 103 | 110 | 190 | 170 | 24 | 138 | 18 | 26 | 17.5 | 50 |
| 80-12T6 | 80 | 12 | 7.938 | 6 | 280 | 10530 | 38521 | 103 | 110 | 246 | 170 | 24 | 138 | 18 | 26 | 17.5 | 50 |
| 80-16T3 | 80 | 16 | 9.525 | 3 | 188 | 9663 | 31622 | 108 | 115 | 208 | 174 | 24 | 143 | 18 | 26 | 17.5 | 50 |
| 80-16T4 | 80 | 16 | 9.525 | 4 | 254 | 12375 | 42162 | 108 | 115 | 244 | 174 | 24 | 143 | 18 | 26 | 17.5 | 50 |
| 80-20T3 | 80 | 20 | 9.525 | 3 | 189 | 9663 | 31622 | 108 | 115 | 250 | 174 | 24 | 143 | 18 | 26 | 17.5 | 50 |
| 80-20T4 | 80 | 20 | 9.525 | 4 | 248 | 12375 | 42162 | 108 | 115 | 296 | 174 | 24 | 143 | 18 | 26 | 17.5 | 50 |
| 100-12T4 | 100 | 12 | 7.938 | 4 | 206 | 8306 | 33001 | 123 | 130 | 190 | 190 | 24 | 158 | 18 | 26 | 17.5 | 50 |
| 100-12T6 | 100 | 12 | 7.938 | 6 | 343 | 1772 | 49502 | 123 | 130 | 246 | 190 | 24 | 158 | 18 | 26 | 17.5 | 50 |
| 100-16T4 | 100 | 16 | 9.525 | 4 | 212 | 13569 | 53161 | 125 | 135 | 244 | 194 | 24 | 163 | 18 | 26 | 17.5 | 60 |
| 100-16T6 | 100 | 16 | 9.525 | 6 | 276 | 19230 | 79741 | 125 | 135 | 318 | 194 | 24 | 163 | 18 | 26 | 17.5 | 60 |
| 100-20T4 | 100 | 20 | 9.525 | 4 | 300 | 13569 | 53161 | 125 | 135 | 296 | 194 | 24 | 163 | 18 | 26 | 17.5 | 60 |
热门文章:
KP16B深沟球轴承、KP21B深沟球轴承、KP23B深沟球轴承、KP25B深沟球轴承、KP29B...
GUT11万向节、GUT12万向节、GUT13万向节、GUT14万向节、GUT15万向节、GUT16万向...
螺栓型滚轮滚针轴承(重载滚子型)滚轮轴承
PF201、PF202、PF203、PF204、PF205、PF206、PF207冲压轴承座
Z12-150200帐套、Z12-160210帐套、Z12-170225帐套、Z12-180235帐套、Z12-190250帐套、Z1...
上一篇:FDI4006T4滚珠丝杠、FDI4006T6滚珠丝杠、FDI4008T4滚珠丝杠、FDI4008T6滚珠丝杠、FDI4010T3滚珠丝杠、FDI4010T4滚珠丝杠、FDI4010T4滚珠丝杠、FDI4012T3滚珠丝杠、FDI4012T4滚珠丝杠、FDI4510T4滚珠丝杠、FDI4512T3滚珠丝杠、FDI4516T3滚珠丝杠、FDI5005T4滚珠丝杠、FDI5005T6滚珠丝杠、FDI5006T4滚珠丝杠 —— 下一篇:FDI1605T3滚珠丝杠、FDI1605T4滚珠丝杠、FDI2005T3滚珠丝杠、FDI2005T4滚珠丝杠、FDI2006T3滚珠丝杠、FDI2006T4滚珠丝杠、FDI2502.5T5滚珠丝杠、FDI2505T3滚珠丝杠、FDI2505T4滚珠丝杠、FDI2506T3滚珠丝杠、FDI2506T4滚珠丝杠、FDI2510T3滚珠丝杠、FDI2805T5滚珠丝杠、FDI2810T4滚珠丝杠
返回搜轴承首页