搜轴承 -- 黑板报 -- NAP210-31轴承、NAP210轴承、NAP211-32轴承、NAP211-34轴承...
NAP210-31轴承、NAP210轴承、NAP211-32轴承、NAP211-34轴承、NAP211轴承、NAP211-35轴承、NAP212-36轴承、NAP212轴承、NAP212-38轴承、NAP212-39轴承
发布时间:2026-05-15
|

|
|
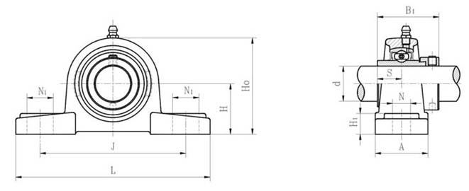
带座轴承代号 |
轴径 |
外形尺寸(mm) |
螺栓规格 |
轴承代码 |
座代号 |
重量(kg) |
可选用 |
|
d |
H |
L |
J |
A |
N |
N1 |
H1 |
HO |
S |
B1 |
|
(in.) |
(mm) |
N |
N1 |
|
NAP202 |
|
15 |
30.2 |
127 |
96 |
37 |
13 |
19 |
14 |
60.7 |
17 |
43.5 |
M10 |
NA202 |
P203 |
0.72 |
-- |
|
|
NAP202-10 |
5/8 |
|
30.2 |
127 |
96 |
37 |
13 |
19 |
14 |
60.7 |
17 |
43.5 |
M10 |
NA202-10 |
P203 |
0.72 |
-- |
-- |
|
NAP203 |
|
17 |
30.2 |
127 |
96 |
37 |
13 |
19 |
14 |
60.7 |
17 |
43.5 |
M10 |
NA203 |
P203 |
0.72 |
-- |
-- |
|
NAP203-11 |
11/16 |
|
30.2 |
127 |
96 |
37 |
13 |
19 |
14 |
60.7 |
17 |
43.5 |
M10 |
NA03-11 |
P203 |
0.72 |
-- |
-- |
|
NAP204-12 |
3/4 |
|
33.3 |
127 |
96 |
37 |
13 |
16 |
14 |
63.8 |
17 |
43.5 |
M10 |
NA204-12 |
P204 |
0.72 |
13 |
19 |
|
NAP204 |
|
20 |
33.3 |
127 |
96 |
37 |
13 |
16 |
14 |
63.8 |
17 |
43.5 |
M10 |
NA204 |
P204 |
0.72 |
13 |
19 |
|
NAP205-14 |
7/8 |
|
36.5 |
140 |
105 |
38 |
13 |
19 |
15 |
69.5 |
17.4 |
44.3 |
M10 |
NA205-14 |
P205 |
0.8 |
-- |
-- |
|
NAP205-15 |
15/16 |
|
36.5 |
140 |
105 |
38 |
13 |
19 |
15 |
69.5 |
17.4 |
44.3 |
M10 |
NA205-15 |
P205 |
0.8 |
-- |
-- |
|
NAP205 |
|
25 |
36.5 |
140 |
105 |
38 |
13 |
19 |
15 |
69.5 |
17.4 |
44.3 |
M10 |
NA205 |
P205 |
0.8 |
-- |
-- |
|
NAP205-16 |
1 |
|
36.5 |
140 |
105 |
38 |
13 |
19 |
15 |
69.5 |
17.4 |
44.3 |
M10 |
NA205-16 |
P205 |
0.8 |
-- |
-- |
|
NAP206-18 |
1-1/8 |
|
42.9 |
160 |
121 |
44 |
14 |
19 |
16 |
82 |
18.2 |
48.3 |
M12 |
NA206-18 |
P206 |
1.35 |
17 |
21 |
|
NAP206 |
|
30 |
42.9 |
160 |
121 |
44 |
14 |
19 |
16 |
82 |
18.2 |
48.3 |
M12 |
NA206 |
P206 |
1.35 |
17 |
21 |
|
NAP206-19 |
1-3/16 |
|
42.9 |
160 |
121 |
44 |
14 |
19 |
16 |
82 |
18.2 |
48.3 |
M12 |
NA206-19Q |
P206 |
1.35 |
17 |
21 |
|
NAP206-20 |
1-1/4 |
|
42.9 |
160 |
121 |
44 |
14 |
19 |
16 |
82 |
18.2 |
48.3 |
M12 |
NA206-20 |
P206 |
1.35 |
17 |
21 |
|
NAP207-20 |
1-1/4 |
|
47.6 |
167 |
126 |
48 |
15 |
19 |
17 |
92 |
18.8 |
51.1 |
M12 |
NA207-20 |
P207 |
1.7 |
17 |
21 |
|
NAP207-21 |
1-5/16 |
|
47.6 |
167 |
126 |
48 |
15 |
19 |
17 |
92 |
18.8 |
51.1 |
M12 |
NA207-21 |
P207 |
1.7 |
17 |
21 |
|
NAP207-22 |
1-3/8 |
|
47.6 |
167 |
126 |
48 |
15 |
19 |
17 |
92 |
18.8 |
51.1 |
M12 |
NA207-22 |
P207 |
1.7 |
17 |
21 |
|
NAP207 |
|
35 |
47.6 |
167 |
126 |
48 |
15 |
19 |
17 |
92 |
18.8 |
51.1 |
M12 |
NA207 |
P207 |
1.7 |
17 |
21 |
|
NAP207-23 |
1-7/16 |
|
47.6 |
167 |
126 |
48 |
15 |
19 |
17 |
92 |
18.8 |
51.1 |
M12 |
NA207-23 |
P207 |
1.7 |
17 |
21 |
|
NAP208-24 |
1-1/2 |
|
49.2 |
180 |
136 |
52 |
15 |
21 |
18 |
98 |
21.4 |
56.3 |
M12 |
NA208-24 |
P208 |
2 |
17 |
23 |
|
NAP208-25 |
1-9/16 |
|
49.2 |
180 |
136 |
52 |
15 |
21 |
18 |
98 |
21.4 |
56.3 |
M12 |
NA208-25 |
P208 |
2 |
17 |
23 |
|
NAP208 |
|
40 |
49.2 |
180 |
136 |
52 |
15 |
21 |
18 |
98 |
21.4 |
56.3 |
M12 |
NA208 |
P208 |
2 |
17 |
.23 |
|
NAP209-26 |
1-5/8 |
|
54 |
189 |
146 |
54 |
15 |
21 |
20 |
105.5 |
21.4 |
56.3 |
M12 |
NA209-26 |
P209 |
2.42 |
17 |
23 |
|
NAP09-27 |
1-11/16 |
|
54 |
189 |
146 |
54 |
15 |
21 |
20 |
105.5 |
21.4 |
56.3 |
M12 |
NA209-27 |
P209 |
2.42 |
17 |
23 |
|
NAP209-28 |
1-3/4 |
|
54 |
189 |
146 |
54 |
15 |
21 |
20 |
105.5 |
21.4 |
56.3 |
M12 |
NA209-28 |
P209 |
2.42 |
17 |
23 |
|
NAP209 |
|
45 |
54 |
189 |
146 |
54 |
15 |
21 |
20 |
105.5 |
21.4 |
56.3 |
M12 |
NA210 |
P210 |
2.42 |
17 |
23 |
|
NAP210-30 |
1-7/8 |
|
57.2 |
204 |
159 |
57 |
19 |
22 |
21 |
112.2 |
24.6 |
62.7 |
M16 |
NA210-30 |
P210 |
2.75 |
-- |
-- |
|
NAP210-31 |
1-15/16 |
|
57.2 |
204 |
159 |
57 |
19 |
22 |
21 |
112.2 |
24.6 |
62.7 |
M16 |
NA210-31 |
P210 |
2.75 |
-- |
-- |
|
NAP210 |
|
50 |
57.2 |
204 |
159 |
57 |
19 |
22 |
21 |
112.2 |
24.6 |
62.7 |
M16 |
NA210 |
P210 |
2.75 |
-- |
-- |
|
NAP211-32 |
2 |
|
63.5 |
217 |
172 |
60 |
19 |
22 |
22 |
124.5 |
27.7 |
71.3 |
M16 |
NA211-32 |
P210 |
2.75 |
-- |
-- |
|
NAP211-34 |
2-1/8 |
|
63.5 |
217 |
172 |
60 |
19 |
22 |
22 |
124.5 |
27.7 |
71.3 |
M16 |
NA211 |
P211-34 |
3.56 |
-- |
-- |
|
NAP211 |
|
55 |
63.5 |
217 |
172 |
60 |
19 |
22 |
22 |
124.5 |
27.7 |
71.3 |
M16 |
NA211 |
P211 |
3.56 |
-- |
-- |
|
NAP211-35 |
2-3/16 |
|
63.5 |
217 |
172 |
60 |
19 |
22 |
22 |
124.5 |
27.7 |
71.3 |
M16 |
NA211-35 |
P211 |
3.56 |
-- |
-- |
|
NAP212-36 |
2-1/4 |
|
69.9 |
238 |
186 |
66 |
19 |
25 |
24 |
137 |
30.9 |
77.7 |
M16 |
NA212-36 |
P212 |
5.2 |
-- |
-- |
|
NAP212 |
|
60 |
69.9 |
238 |
186 |
66 |
19 |
25 |
24 |
137 |
30.9 |
77.7 |
M16 |
212 |
P212 |
5.2 |
-- |
-- |
|
NAP212-38 |
2-3/8 |
|
69.9 |
238 |
186 |
66 |
19 |
25 |
24 |
137 |
30.9 |
77.7 |
M16 |
NA212-38 |
P212 |
5.2 |
-- |
-- |
|
NAP212-39 |
2-7/16 |
|
69.9 |
238 |
186 |
66 |
19 |
25 |
24 |
137 |
30.9 |
77.7 |
M16 |
NA212-39 |
P212 |
5.2 |
-- |
-- | |