发布时间:2025-10-24

| 轴径 | 轴承型号 | 外形尺寸(mm | 基本额定负荷(N | 极限转速(rpm | 参考重量 | |||||
| (mm) | 新型号 | 原型号 | 内径 | 外径 | 宽度 | 动负荷 | 静负荷 | 脂润滑 | 油润滑 | (kg) |
| d | D | B | Mass | |||||||
| 25 | RN205 | 502205 | 25 | 45 | 15 | 32000 | 31500 | 11000 | 14000 | 0.09 |
| 30 | RN206 | 502206 | 30 | 53.5 | 16 | 36000 | 35500 | 8500 | 11000 | 0.11 |
| RN306 | 502306 | 30 | 62 | 19 | 49000 | 48000 | 7800 | 9800 | 0.197 | |
| RN606 | 502706 | 30 | 60 | 26 | 77000 | 84000 | 7000 | 8500 | 0.34 | |
| RN606/YA | 502806 | 30 | 68 | 26 | 87700 | 83900 | 6000 | 7200 | 0.44 | |
| 35 | RN207 | 502207 | 35 | 61.8 | 17 | 46500 | 48000 | 7500 | 9500 | 0.2 |
| RN307 | 502307 | 35 | 68.2 | 21 | 62000 | 63200 | 7000 | 9000 | 0.32 | |
| 40 | RN308 | 502308 | 40 | 77.5 | 23 | 81000 | 87000 | 6300 | 8000 | 0.41 |
| 45 | RN309 | 502309 | 45 | 86.5 | 25 | 93000 | 98000 | 5600 | 7000 | 0.61 |
| 50 | RN210 | 502210 | 50 | 80.4 | 20 | 61200 | 69200 | 6000 | 7500 | 0.29 |
| RN310 | 502310 | 50 | 95 | 27 | 105000 | 112000 | 5300 | 6700 | 0.79 | |
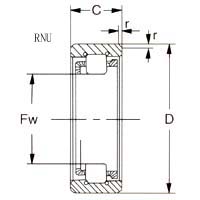
| 轴径 | 轴承型号 | 外形尺寸(mm | 基本额定负荷(N | 极限转速(rpm | 参考重量 | |||||
| (mm) | 新型号 | 原型号 | 内径 | 外径 | 宽度 | 动负荷 | 静负荷 | 脂润滑 | 油润滑 | (kg) |
| d | D | B | Mass | |||||||
| 32 | RNU205 | 292205 | 32 | 52 | 15 | 27500 | 26800 | 11000 | 14000 | 0.11 |
| 35 | RNU305 | 292305 | 35 | 62 | 17 | 38500 | 35700 | 9000 | 12000 | 0.2 |
| 38.5 | RNU206 | 292206 | 38.5 | 62 | 16 | 36000 | 35500 | 8500 | 11000 | 0.17 |
| 42 | RNU306 | 292306 | 42 | 72 | 19 | 49100 | 48200 | 8000 | 10000 | 0.31 |
| 43.8 | RNU207 | 292207 | 43.85 | 72 | 17 | 46500 | 48000 | 7500 | 9500 | 0.25 |
| 46.2 | RNU307 | 292307 | 46.2 | 80 | 21 | 62000 | 63200 | 7000 | 9000 | 0.4 |
| 50 | RNU208 | 292208 | 50 | 80 | 18 | 51500 | 53000 | 7000 | 9000 | 0.25 |
| 53.5 | RNU308 | 292308 | 53.5 | 90 | 23 | 76700 | 77800 | 6300 | 8000 | 0.48 |
| 60.4 | RNU210 | 292210 | 60.4 | 90 | 20 | 61000 | 6800 | 6000 | 7500 | 0.43 |
| 65 | RNU310 | 292310 | 65 | 110 | 27 | 105000 | 112000 | 5300 | 6600 | 1.012 |
热门文章:
GL-15CA-LSK四方型滑块滑轨、GL-20CA-LSK四方型滑块滑轨、FL-20HA-LSK四方型滑块...
2310轴承座、2311轴承座、2312轴承座、2313轴承座、2314轴承座、2315轴承座、2...
MF85法兰式深沟球轴承内径5X8X2
DGZ2020-0.8×4天津滚珠丝杆、DGZ2020-1.8×4天津滚珠丝杆、DGZ2525-0.8×4天津滚珠...
BRH15C滑块ABBA轴承、BRH20C滑块ABBA轴承、BRH20CL滑块ABBA轴承、BRH25C滑块ABBA轴...
上一篇:RN206(502206)圆柱滚子轴承 —— 下一篇:SBG65FLL滑块轴承
返回搜轴承首页