RHD15B直线滑块 — 搜轴承黑板报
搜轴承 -- 黑板报 -- RHD15B直线滑块

RHD15B直线滑块

发布时间:2025-10-22

型号
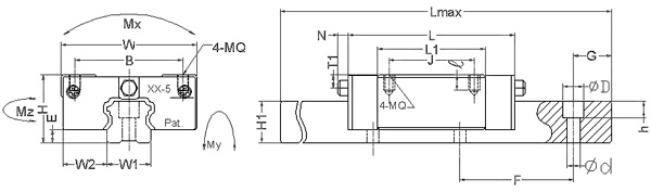
组合尺寸
滑座尺寸
滑轨尺寸
H
W
W2
E
L
B×J

MQ×l

L1
油孔
T1
N
W1
H1
F
d×D×h
RHD15B
28
34
9.5
4.6
66
26×26
M4×6.4
40
Ф3
8.3
5
15
14
60
4.5×7.5×5.3
RHD20B
30
44
12
5
77.8
32×36
M5×8
48.8
M6×1
7
6.5
20
18
60
6×9.5×8.5
RHD20BL
92.4
32×50
63.4
RHD25B
40
48
12.5
7
88
35×35
M6×9.6
57
M6×1
11.8
6.5
23
22
60
7×11×9
RHD25BL
110.1
35×50
79.1
RHD30B
45
60
16
9
109
40×40
M8×12.8
72
M6×1
10
6.5
28
26
80
9×14×12
RHD30BL
131.3
40×60
94.3
RHD35B
55
70
18
9.5
119
50×50
M8×12.8
80
M6×1
15
6.5
34
29
80
9×14×12
RHD35BL
144.8
50×72
105.8
RHD45B
70
86
20.5
14
148.2
60×60
M10×16
105
M8×1
18
13
45
38
105
14×20×17
RHD45BL
173
60×80
129.8
RHD55B
80
100
23.5
15
170
75×75
M12×19
121
M8×1
20
13
53
44
120
16×23×20
RHD55BL
205.1
75×95
156.1
型号
参考资料(mm)
基本荷重(kgf)
容许静力矩(kgfxm)
重量
Lmax
G
动额定负荷(c)
静额定负荷(co)
Mx
My
Mz
滑块(kgf)
滑轨(kgf/m)
RHD15B
4000
30
850
1650
10
8
8
0.21
1.4
RHD20B
4000
30
1450
2560
22
18
18
0.31
2.6
RHD20BL
1900
3330
28.6
23.4
23.4
0.47
RHD25B
4000
30
2140
4000
36
32
31
0.45
3.6
RHD25BL
2996
5600
50.4
44.8
43.4
0.56
RHD30B
4000
40
2980
5490
60
50
49
0.91
5.2
RHD30BL
3900
7190
78.5
65
65
1.2
RHD35B
4000
40
3960
7010
96
75
73
1.5
7.2
RHD35BL
5230
9270
125
95
95
1.9
RHD45B
4000
52.5
6740
12100
216
170
168
2.3
12.3
RHD45BL
8330
14950
267
210
210
2.8
RHD55B
4000
60
9940
17100
367
293
288
3.9
16.9
RHD55BL
12820
22060
473
380
375
5

热门文章:

DKFZ6330-4滚珠丝杠滚珠安装方法、DKFZ6330-4滚珠丝杆生产厂家、DKFZ6330-4滚珠...
FSI802.5T3滚珠丝杠、FSI1402.54T3滚珠丝杠、FSI1404T3滚珠丝杠、FSI1602T3滚珠丝杠...
SFT02005-5滚珠丝杠、SFT02505-5滚珠丝杠、SFT02510-2.5滚珠丝杠、SFT03205-5滚珠丝...
LBE5直线轴承、LBE8直线轴承、LBE12直线轴承、LBE16直线轴承、LBE20直线轴承...
NNC5004V轴承、NNC5005V轴承、NNC5006V轴承、NNC5007V轴承、NNC5008V轴承、NNC5009V轴...

热门型号:BARDEN 7024 AC/DB NTN 240/500 CAC/W33 OKB 1080818A OKB 32410 FAG 2218-K-TVH-C3 + H318 NKE 239/710-MB-W33 SKF 241/750 ECA/W33 KOYO 3NCHAR018C SKF 61972 MA LS GEH200XT SKF LUCD 20-2LS SKF 19763 SKF FYTB 20 TR NOK SB 160 190 14 NBR NOK WR 45

上一篇:RHD15C直线滑块 —— 下一篇:RHD55AL直线滑块

返回搜轴承首页