发布时间:2025-12-15


|
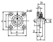
Bearing Unit No. |
Shaft Dia d |
Dimensions(mm) |
Bolt Used |
Bearing No. |
Housing No. |
Housing | ||||||||||
|
in |
mm |
a |
e |
i |
g |
l |
s |
Z |
Bi |
m |
in |
mm | ||||
|
MUCFPL201-8 |
1/2 |
20 |
86 |
63.5 |
15 |
13 |
28 |
11 |
33.3 |
31 |
12.7 |
3/8 |
M10 |
MUC201-8 |
FPL204 |
0.1 |
|
MUCFPL205-14 |
7/8 |
25 |
95 |
70 |
16 |
14 |
28 |
11 |
35.7 |
34 |
14.3 |
3/8 |
M10 |
MUC205-14 |
FPL205 |
0.16 |
|
MUCFPL206-17 |
1-1/16 |
30 |
107 |
83 |
18 |
14 |
31 |
11 |
40.2 |
38.1 |
15.9 |
7/16 |
M12 |
MUC206-17 |
FPL206 |
0.24 |
|
MUCFPL207-20 |
1-1/4 |
35 |
118 |
92 |
19 |
15 |
33 |
13 |
44.4 |
42.9 |
17.5 |
1/2 |
M14 |
MUC207-20 |
FPL207 |
0.26 |
|
MUCFPL208-24 |
1-1/2 |
40 |
130 |
102 |
21 |
17 |
38 |
14 |
51.2 |
49.2 |
19 |
1/2 |
M14 |
MUC208-24 |
FPL208 |
0.32 |
|
MUCFPL209-26 |
1-5/8 |
45 |
137 |
105 |
24 |
19 |
41 |
17 |
52.2 |
49.2 |
19 |
1/2 |
M14 |
MUC209-26 |
FPL209 |
0.36 |
|
MUCFPL210-30 |
1-7/8 |
50 |
143 |
111 |
25 |
21 |
43 |
17 |
54.6 |
51.6 |
19 |
1/2 |
M14 |
MUC210-30 |
FPL210 |
0.43 |
热门文章:
61948轴承、16048轴承、6048M轴承、6348M轴承、61952MA轴承、6052M轴承、6252M轴...
P204塑料轴承座、P205塑料轴承座、P206塑料轴承座、P207塑料轴承座、P208塑...
GW211PPB6方孔外球面球轴承、直线轴承及光轴、含油轴承粉末轴承、杆端关...
轴支撑SK8、SK10、SK12、SK13、SK16、SK20、SK25、SK30、SK35、SK40、SK50、SK60
剖分式轴承座SN505、SN506、SN507、SN508、SN509、SN510、SN511、SN512、SN513、SN514...