AST DSP10轴承,AST DSP10深沟球轴承-搜轴承AST数据中心
搜轴承 -- AST轴承型号查询 -- 深沟球轴承 -- AST DSP10轴承

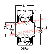
(dimensions in inches)

Bearing Type - DSPxx

Bore Dia (d) - 0.6250

Outer Dia (D) - 1.9375

Outer Width (Bo) - 0.9370

Inner Width (Bi) - 1.1250

Dynamic Load Rating (Cr) - 6,860

Static Load Rating (Cor) - 9,000

Max. Shaft Shoulder Dia. Inner (Li) - 0.9

Ball Qty - 30

Ball Dia (Dw) - 0.2810

Max. shaft corner radius, or 45 deg. chamfer (ch1) - 0.015

Max. housing corner radius, or 45 deg. chamfer (ch) - 0.044

Material - 52100 Chrome steel or equivalent

The dynamic load rating given is for outer race rotation. The dynamic load rating for inner race rotation is 7780 pounds.

The static thrust load rating is 1300 pounds.

The bore diameter tolerance is +.0000 / -.0005".

The outside diameter tolerance is +.0000" / -.0005".

The tolerance for the outer race width is +.000" / -.005", and the inner race width +.0000" / -.0025".

The load ratings listed for these bearings are determined by the formulas used specifically for airframe bearings. These ratings are not equivalent to ratings calculated from the ABMA formulas used for most antifriction bearing products.

This bearing is intended for commercial applications. You must notify the AST sales department contact at the time of your inquiry if the bearing will be used in an airworthy application.

The bearing has two removable seals made of woven fabric Teflon.

订购 AST DSP10 请填写如下信息

标题:

主要内容:

验证码:

Hot number:STEYR 6202-RS KOYO 7317 C/DF MRC 7014 AC/DT INA 812 32 TIMKEN 25572/25526 AST 22308CY Timken 32324 ZEN 7300B-2RS Fersa M804048/M804010 KOYO NJ2234R NSK KF-90CPO Torrington NU-232 SKF FSAF 1515 x 2.1/2 TLC TORRINGTON FAFNIR 6202-ZN NOK IDI 185 160 19