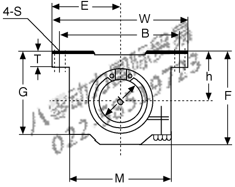
| Dimensions (inch) | d | .7500 | ![]() ADJUSTABLE |
| F | 1.7500 | ||
| B | 2.3750 | ||
| C | 1.2500 | ||
| E | 1.3750 | ||
| h | .9375 | ||
| h1 | - | ||
| W | 2.7500 | ||
| T | .3125 | ||
| L | 2.0625 | ||
| G | 1.5625 | ||
| M | 1.8750 | ||
| O | - | ||
| S | .1875 | ||
| Approx. Wgt. lbs | .640 | ||
| Interchange | Barden | - | |
| NB | TWJ 12UU | ||
| Thomson | SPB-12-ADJ | ||
| 1) Load ratings may vary between manufacturers. | |||
Hot number:SNR 7018 AC/DB BARDEN 7203 AC/DT TIMKEN EE350701 Timken 22209CJ INA 294/1060-E1-MB SNR 6004F604 NTN-SNR 6411NR ISO 71916 CDT KOYO 7236CPA INA B16 LS GEEW63ES KOYO HAR919 INA KGSNOS12-PP-AS JNS NKI 32/20 ISC MR-41/1.2
Previous:SPB-10-ADJ 直线轴承 ---- Next:SPB-16-ADJ 直线轴承
Return to CONSOLIDATED轴承型号查询