发布时间:2026-03-22

|
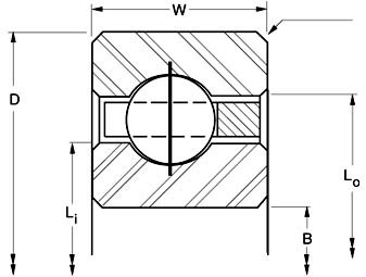
PART |
|
Ball |
Approx |
Radial |
Limiting | ||||||
|
B |
D |
W |
Land Diameter |
Ball |
Static |
Dyamic | |||||
|
Li |
Lo | ||||||||||
|
PAA10CL0 |
1.0000 |
1.3750 |
0.1875 |
1.141 |
1.234 |
3/32 |
21 |
0.03 |
240 |
300 |
16.840 |
|
PAA15CL0 |
1.5000 |
1.8750 |
0.1875 |
1.641 |
1.734 |
3/32 |
29 |
0.04 |
330 |
350 |
11.850 |
|
PA020CP0 |
2.0000 |
2.5000 |
0.2500 |
2.188 |
2.313 |
1/8 |
27 |
0.10 |
540 |
560 |
8.890 |
|
PA025CP0 |
2.5000 |
3.0000 |
0.2500 |
2.688 |
2.813 |
1/8 |
33 |
0.13 |
650 |
610 |
7.270 |
|
PA030CP0 |
3.0000 |
3.5000 |
0.2500 |
3.188 |
3.313 |
1/8 |
39 |
0.15 |
760 |
650 |
6.150 |
|
PA035CP0 |
3.5000 |
4.0000 |
0.2500 |
3.688 |
3.813 |
1/8 |
45 |
0.18 |
880 |
690 |
5.330 |
|
PA040CP0 |
4.0000 |
4.5000 |
0.2500 |
4.188 |
4.313 |
1/8 |
51 |
0.19 |
990 |
720 |
4.710 |
|
PA042CP0 |
4.2500 |
4.7500 |
0.2500 |
4.438 |
4.563 |
1/8 |
54 |
0.20 |
1.040 |
730 |
4.440 |
|
PA045CP0 |
4.5000 |
5.0000 |
0.2500 |
4.688 |
4.813 |
1/8 |
57 |
0.22 |
1.100 |
750 |
4.210 |
|
PA047CP0 |
4.7500 |
5.2500 |
0.2500 |
4.938 |
5.063 |
1/8 |
60 |
0.23 |
1.160 |
760 |
4.000 |
|
PA050CP0 |
5.0000 |
5.5000 |
0.2500 |
5.188 |
5.313 |
1/8 |
63 |
0.24 |
1.210 |
770 |
3.810 |
|
PA055CP0 |
5.5000 |
6.0000 |
0.2500 |
5.688 |
5.813 |
1/8 |
69 |
0.25 |
1.320 |
800 |
3.480 |
|
PA060CP0 |
6.0000 |
6.5000 |
0.2500 |
6.188 |
6.313 |
1/8 |
75 |
0.28 |
1440 |
1900 |
3200 |
|
PA065CP0 |
6.5000 |
7.0000 |
0.2500 |
6.688 |
6.813 |
1/8 |
81 |
0.30 |
1660 |
2190 |
2960 |
|
PA070CP0 |
7.0000 |
7.5000 |
0.2500 |
7.188 |
7.313 |
1/8 |
87 |
0.31 |
1880 |
2480 |
2760 |
|
PA075CP0 |
7.5000 |
8.0000 |
0.2500 |
7.688 |
7.813 |
1/8 |
93 |
0.34 |
2330 |
3060 |
2580 |
|
PA080CP0 |
8.0000 |
8.5000 |
0.2500 |
8.188 |
8.313 |
1/8 |
99 |
0.38 |
850 |
1200 |
2420 |
|
PA090CP0 |
9.0000 |
9.5000 |
0.2500 |
9.188 |
9.313 |
1/8 |
111 |
0.44 |
890 |
1280 |
2160 |
|
PA100CP0 |
10.0000 |
10.5000 |
0.2500 |
10.188 |
10.313 |
1/8 |
123 |
0.50 |
940 |
1330 |
1950 |
|
PA110CP0 |
11.0000 |
11.5000 |
11.6250 |
11.7500 |
12.0000 |
1/8 |
135 |
113 |
91 |
69 |
1780 |
|
PA120CP0 |
12.0000 |
19.0000 |
19.5000 |
20.0000 |
20.6250 |
1/8 |
111 |
75 |
57 |
203 |
1630 |
|
PB140CP0 |
14.0000 |
0.7500 |
1.0000 |
0.2500 |
0.3125 |
5/32 |
4.80 |
8.60 |
0.56 |
0.83 |
1400 |
|
PB160CP0 |
16.0000 |
0.5000 |
0.7500 |
1.0000 |
0.3125 |
5/32 |
3.48 |
7.90 |
13.70 |
1.50 |
1230 |
|
PB180CP0 |
18.0000 |
11.188 |
11.234 |
11.281 |
11.375 |
5/32 |
2560 |
3350 |
3900 |
6050 |
1090 |
|
PB200CP0 |
20.0000 |
16.563 |
16.750 |
18.234 |
18.281 |
5/32 |
13240 |
20900 |
5390 |
6250 |
980 |
|
PC250CP0 |
25.0000 |
35.563 |
35.750 |
40.563 |
40.750 |
3/16 |
27810 |
43340 |
31650 |
49290 |
790 |
|
PC300CP0 |
30.0000 |
14.391 |
14.469 |
14.625 |
14.938 |
3/16 |
1560 |
2000 |
3460 |
6240 |
660 |
|
PF350CP0 |
35.0000 |
20.469 |
20.625 |
20.938 |
21.250 |
3/8 |
2300 |
3930 |
7090 |
12680 |
560 |
|
PF400CP0 |
40.0000 |
30.469 |
30.625 |
30.938 |
31.250 |
3/8 |
2760 |
4640 |
8150 |
14660 |
490 |
热门文章:
K42X48X16滚针轴承、K42X48X35滚针轴承、K42X49X35滚针轴承、K42X50X20滚针轴承、K...
轴承NU313E、轴承NU313EM、轴承NUP313E、轴承NUP313EM、轴承NUP313EK、轴承N314E、...
ZKLFA0630.2Z滚珠丝杠轴承、ZKLFA0640.2RS滚珠丝杠轴承、ZKLFA0640.2Z滚珠丝杠轴...
CSK100-2RS、CSK101-2RS、CSK102-2RS、CSK103-2RS、CSK104-2RS、CSK105-2RS、CSK106-2RS、CSK107...
冲压外圈满针轴承F0608、F0810、FH0810、FH0812、F0910、FH0910、FH0913、F1010、FH101...
上一篇:PF075CP0搏薜角接触球轴承、PG075CP0搏薜角接触球轴承、PA080CP0搏薜角接触球轴承、PB080CP0搏薜角接触球轴承、PC080CP0搏薜角接触球轴承、PD080CP0搏薜角接触球轴承、PF080CP0搏薜角接触球轴承、PG080CP0搏薜角接触球轴承、PA090CP0搏薜角接触球轴承、PB090CP0搏薜角接触球轴承、PC090CP0搏薜角接触球轴承、PD090CP0搏薜角接触球轴承、PF090CP0搏薜角接触球轴承 —— 下一篇:PB045CP0轴承、PC045CP0轴承、PD045CP0轴承、PF045CP0轴承、PG045CP0轴承、PA047CP0轴承、PB047CP0轴承、PC047CP0轴承、PD047CP0轴承、PF047CP0轴承、PG047CP0轴承、PA050CP0轴承、PB050CP0轴承、PC050CP0轴承、PD050CP0轴承、PF050CP0轴承、PG050CP0轴承、PA055CP0轴承、PB055CP0轴承、PC055CP0轴承、PD055CP0轴承、PF055CP0轴承
返回搜轴承首页