搜轴承 -- 黑板报 -- UKP317外球面轴承带座、UKP319外球面轴承带座、UKP320...
UKP317外球面轴承带座、UKP319外球面轴承带座、UKP320外球面轴承带座、
发布时间:2026-05-07
  |
| |
|
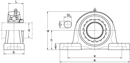
型号 |
轴径 d mm |
轴承型号 |
基本尺寸 mm |
螺栓尺寸 mm |
座型号 |
质量 kg |
|
h |
a |
e |
b |
s1 |
s2 |
g |
w |
L |
|
UKP305 |
20 |
UK305 |
45 |
175 |
132 |
45 |
17 |
20 |
16 |
85 |
35 |
M14 |
P305 |
1.7 |
|
UKP306 |
25 |
UK306 |
50 |
180 |
140 |
50 |
17 |
20 |
17 |
95 |
38 |
M14 |
P306 |
2.2 |
|
UKP307 |
30 |
UK307 |
56 |
210 |
160 |
56 |
17 |
25 |
19 |
107 |
43 |
M14 |
P307 |
3.2 |
|
UKP308 |
35 |
UK308 |
60 |
220 |
170 |
60 |
17 |
27 |
19 |
118 |
46 |
M14 |
P308 |
3.8 |
|
UKP309 |
40 |
UK309 |
67 |
245 |
190 |
67 |
20 |
30 |
21 |
132 |
50 |
M16 |
P309 |
5.1 |
|
UKP310 |
45 |
UK310 |
75 |
275 |
212 |
75 |
20 |
35 |
24 |
148 |
55 |
M16 |
P310 |
6.7 |
|
UKP311 |
50 |
UK311 |
80 |
310 |
236 |
80 |
20 |
38 |
27 |
158 |
59 |
M16 |
P311 |
8.2 |
|
UKP312 |
55 |
UK312 |
85 |
330 |
250 |
85 |
25 |
38 |
29 |
167 |
62 |
M20 |
P312 |
9.4 |
|
UKP313 |
60 |
UK313 |
90 |
340 |
260 |
90 |
25 |
38 |
32 |
176 |
65 |
M20 |
P313 |
10.8 |
|
UKP315 |
65 |
UK315 |
100 |
380 |
290 |
100 |
27 |
40 |
35 |
198 |
73 |
M22 |
P315 |
15.1 |
|
UKP316 |
70 |
UK316 |
106 |
400 |
300 |
110 |
27 |
40 |
35 |
209 |
78 |
M22 |
P316 |
18.7 |
|
UKP317 |
75 |
UK317 |
112 |
420 |
320 |
110 |
33 |
45 |
40 |
220 |
82 |
M27 |
P317 |
20.3 |
|
UKP318 |
80 |
UK318 |
118 |
430 |
330 |
110 |
33 |
45 |
40 |
234 |
86 |
M27 |
P318 |
22.8 |
|
UKP319 |
85 |
UK319 |
125 |
470 |
360 |
120 |
36 |
50 |
46 |
248 |
90 |
M30 |
P319 |
29.4 |
|
UKP320 |
90 |
UK320 |
140 |
490 |
380 |
120 |
36 |
50 |
46 |
273 |
97 |
M30 |
P320 |
34.9 |
|
UKP322 |
100 |
UK322 |
150 |
520 |
400 |
140 |
40 |
55 |
50 |
296 |
105 |
M33 |
P322 |
44 |
|
UKP324 |
110 |
UK324 |
160 |
570 |
450 |
140 |
40 |
55 |
50 |
316 |
112 |
M33 |
P324 |
55.7 |
|
UKP326 |
115 |
UK326 |
180 |
600 |
480 |
140 |
40 |
55 |
50 |
355 |
121 |
M33 |
P326 |
71.9 |
|
UKP328 |
125 |
UK328 |
200 |
620 |
500 |
140 |
40 |
55 |
60 |
393 |
131 |
M33 |
P328 |
93 | |