DGF2020-0.8X4滚珠丝杠、DGF2020-1.8X4滚珠丝杠、DGF2525-0.8X4滚珠丝杠、DGF2525-1.8X4滚珠丝杠、DGF3232-0.8X4滚珠丝杠、DGF3232-1.8X4滚珠丝杠、DGF4040-0.8X4滚珠丝杠、DGF4040-1.8X4滚珠丝杠 — 搜轴承黑板报
搜轴承 -- 黑板报 -- DGF2020-0.8X4滚珠丝杠、DGF2020-1.8X4滚珠丝杠、DGF2525-0.8X...

DGF2020-0.8X4滚珠丝杠、DGF2020-1.8X4滚珠丝杠、DGF2525-0.8X4滚珠丝杠、DGF2525-1.8X4滚珠丝杠、DGF3232-0.8X4滚珠丝杠、DGF3232-1.8X4滚珠丝杠、DGF4040-0.8X4滚珠丝杠、DGF4040-1.8X4滚珠丝杠

发布时间:2025-10-24

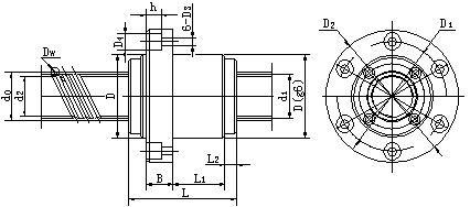
规格代号

公称
直径
d0

公称
导程
Ph0

丝杠
外径
d1

 钢球
直径
Dw

丝杠
底径
d2

循环
圈数×线数

基本额定负荷

螺母安装连接尺寸

动载荷
Ca(KN)

静载荷
Coa(KN)

D

D1

D2

D3

D4

B

h

L

L1

L2

L3

b×t

M

DGF2020-0.8×4

20

20

19.3

3.5

16.4

0.8×4

5.6

11.2

40

53

66

5.8

10

9

5

31

13

8

-

-

-

DGF2020-1.8×4

20

20

19.3

3.5

16.4

1.8×4

11.4

25.2

40

53

66

5.8

10

11

6

51

33

8

-

-

-

DGF2525-0.8×4

25

25

24.3

3.5

21.4

0.8×4

6.4

14.5

45

56

70

5.8

10

10

5

35

16

8

-

-

Φ3

DGF2525-1.8×4

25

25

24.3

3.5

21.4

1.8×4

12.9

32.7

45

56

70

5.8

10

11

6

60

40

8

-

-

Φ3

DGF3232-0.8×4

32

32

31

4.763

27.1

0.8×4

11

25.6

60

75

92

7

12

13

7

48

22

12

-

-

M6

DGF3232-1.8×4

32

32

31

4.763

27.1

1.8×4

22

57.7

60

75

92

7

12

13

7

80

54

12

-

-

M6

DGF4040-0.8×4

40

40

39

5

34.9

0.8×4

12.9

33.7

71

90

110

9

15

15

9

54

26

12

-

-

M6

DGF4040-1.8×4

40

40

39

5

34.9

1.8×4

26

75.9

71

90

110

9

15

15

9

94

66

12

-

-

M6

热门文章:

组合轴承RAXPZ47070 85 96 21 11 32 11 1.3 30000 68800 27600 178400 3000 479
SER202外球面轴承、SER202-10外球面轴承、SER203外球面轴承、SER203-11外球面轴...
87414推力圆柱滚子轴承、89414推力圆柱滚子轴承、81115推力圆柱滚子轴承、8...
WB1630127水泵轴承、WB1630128水泵轴承、WB1630136水泵轴承、WB1630139水泵轴承、W...
UCC201轴承、UCC202轴承、UCC203轴承、UCC204轴承、UCC205轴承、UCC206轴承、UCC207...

热门型号:SKF NK 35/30 INA HK2818RS SKF 61911 OKB 502706T SNR 23220EMW33 KOYO 6465/6420 SKF 7010 ACE/HCP4AL1 CX GE 025 ECR-2RS AST NKS28 NACHI NJ 1024 INA RNA4838 FYH UP003 NHBB TP130 SKF AXK 4060 SKF IR 30x35x20

上一篇:DGF2020-0.8X4滚珠丝杠、DGF2020-1.8X4滚珠丝杠、DGF2525-0.8X4滚珠丝杠、DGF2525-1.8X4滚珠丝杠、DGF3232-0.8X4滚珠丝杠、DGF3232-1.8X4滚珠丝杠、DGF4040-0.8X4滚珠丝杠、DGF4040-1.8X4滚珠丝杠 —— 下一篇:GGB16AB滑块、GGB20AB滑块、GGB25AB滑块、GGB30AB滑块、GGB35AB滑块、GGB45AB滑块、GGB55AB滑块、GGB65AB滑块、GGB85ABAB滑块

返回搜轴承首页