发布时间:2026-03-22

|
型号 |
轴径mm |
主要尺寸 |
装配尺寸 |
线性轴承 | |||||||||||||
|
型号 |
基本动定格荷重C |
基本动定格荷重Co | |||||||||||||||
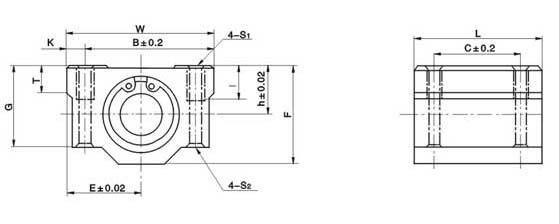
|
h |
E |
W |
L |
F |
G |
T |
B |
C |
K |
S1 |
S2 |
θ | |||||
|
LMA3 |
3 |
5 |
8 |
16 |
13 |
10 |
8 |
|
11 |
8 |
2.5 |
M2 |
|
|
LM3 |
7 |
10.7 |
|
LMA4 |
4 |
5.5 |
8.5 |
17 |
15 |
11 |
9 |
|
12 |
10 |
2.5 |
M3 |
|
|
LM4 |
9 |
13 |
|
LMA5 |
5 |
7 |
11 |
22 |
18 |
14 |
11 |
|
16 |
12 |
3 |
M3 |
|
|
LM5 |
17 |
21 |
|
LMA6UU |
6 |
9 |
15 |
30 |
25 |
18 |
15 |
6 |
20 |
15 |
5 |
M4 |
3.4 |
8 |
LM6UU |
21 |
27 |
|
LMA8UU |
8 |
11 |
17 |
34 |
30 |
22 |
18 |
6 |
24 |
18 |
5 |
M4 |
3.4 |
8 |
LM8UU |
28 |
40 |
|
LMA10UU |
10 |
13 |
20 |
40 |
35 |
26 |
21 |
8 |
28 |
21 |
6 |
M5 |
4.3 |
12 |
LM10UU |
38 |
56 |
|
LMA12UU |
12 |
15 |
21 |
42 |
36 |
28 |
24 |
8 |
31 |
26 |
5.8 |
M5 |
4.3 |
12 |
LM12UU |
52 |
80 |
|
LMA13UU |
13 |
15 |
22 |
44 |
39 |
30 |
25 |
8 |
33 |
26 |
5.5 |
M5 |
4.3 |
12 |
LM13UU |
52 |
80 |
|
LMA16UU |
16 |
19 |
25 |
50 |
44 |
39 |
33 |
9 |
36 |
34 |
7 |
M5 |
4.3 |
12 |
LM16UU |
79 |
120 |
|
LMA20UU |
20 |
21 |
27 |
54 |
50 |
41 |
35 |
11 |
40 |
40 |
7 |
M6 |
5.2 |
12 |
LM20UU |
90 |
140 |
|
LMA25UU |
25 |
26 |
38 |
76 |
67 |
52 |
42 |
12 |
54 |
50 |
11 |
M8 |
7 |
18 |
LM25UU |
100 |
160 |
|
LMA30UU |
30 |
30 |
39 |
78 |
72 |
60 |
49 |
15 |
58 |
58 |
10 |
M8 |
7 |
18 |
LM30UU |
160 |
280 |
|
LMA35UU |
35 |
34 |
45 |
90 |
80 |
68 |
54 |
18 |
70 |
60 |
10 |
M8 |
7 |
18 |
LM35UU |
170 |
320 |
|
LMA40UU |
40 |
40 |
51 |
102 |
90 |
78 |
62 |
20 |
80 |
60 |
11 |
M10 |
8.7 |
25 |
LM40UU |
220 |
410 |
|
LMA50UU |
50 |
52 |
61 |
122 |
110 |
102 |
80 |
25 |
100 |
80 |
11 |
M10 |
8.7 |
25 |
LM50UU |
390 |
810 |
|
LMA60UU |
60 |
58 |
66 |
132 |
122 |
114 |
94 |
30 |
108 |
90 |
12 |
M12 |
11 |
25 |
LM60UU |
482 |
1020 |
热门文章:
80385轴承、80325轴承、80385/80325轴承、80170轴承、80217轴承、80170/80217轴承、8...
GGB25该规格的产品又叫四方向等载荷型滚动导轨副、GGB25系列可分为非、GGB...
UCFLU209外球面轴承带座、UCFLU210外球面轴承带座、UCFLU211外球面轴承带座、U...
543内圈、18587内圈、527内圈、33885内圈、438内圈、HM804842内圈、HM804843内圈...
SF-50W 止推垫片SF-50W35、SF-50W40、SF-50W45、SF-50W50、SF-50W55、SF-50W60、SF-50W65、S...