搜轴承 -- 黑板报 -- 外球面轴承带座SBF201G、SBF202、SBF203、SBF204、SBF205、S...
外球面轴承带座SBF201G、SBF202、SBF203、SBF204、SBF205、SBF206、SBF207、SBF208、SBF209、SBF210、SBF212G
发布时间:2025-10-22
|
带座轴 承代号 |
轴径 |
外形尺寸(mm) |
螺栓规格 |
轴承代码 |
座代号 |
重量(kg) |
可选用 |
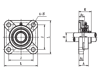
d |
L |
J |
A2 |
A1 |
A |
E |
N |
S |
(in.) |
(mm) |
N |
SBF201G |
|
12 |
76 |
54 |
15 |
11 |
24.5 |
31 |
11.5 |
6 |
M10 |
SB201G |
P203 |
0.39 |
|
SBF201-8G |
1/2 |
|
76 |
54 |
15 |
11 |
24.5 |
31 |
11.5 |
6 |
M10 |
SB201-8G |
F203 |
0.39 |
|
SBF202G |
|
15 |
76 |
54 |
15 |
11 |
24.5 |
31 |
11.5 |
6 |
M10 |
SB202G |
F203 |
0.38 |
|
SBF202-10G |
5/8 |
|
76 |
54 |
15 |
11 |
24.5 |
31 |
11.5 |
6 |
M10 |
SB202-10G |
F203 |
0.38 |
|
SBF203G |
|
17 |
76 |
54 |
15 |
11 |
24.5 |
31 |
11.5 |
6 |
M10 |
SB203G |
F203 |
0.38 |
|
SBF203-11G |
11/16 |
|
76 |
54 |
15 |
11 |
24.5 |
31 |
11.5 |
6 |
M10 |
sb203-11G |
F203 |
0.38 |
|
SBF204-12G |
3/4 |
|
86 |
64 |
15 |
11 |
25.5 |
33 |
11.5 |
7 |
M10 |
SB204-12G |
F204 |
0.52 |
12 |
SBF204G |
|
20 |
86 |
64 |
15 |
11 |
25.5 |
33 |
11.5 |
7 |
M10 |
SB204 |
F204 |
0.56 |
12 |
SBF205-14G |
7/8 |
|
86 |
64 |
15 |
11 |
25.5 |
33 |
11.5 |
7 |
M10 |
SB204-12G |
F204 |
0.52 |
12 |
SBF205-15G |
15/16 |
|
95 |
70 |
16 |
13 |
27 |
35.5 |
11.5 |
7.5 |
M10 |
SB205-15G |
F205 |
0.71 |
12 |
SBF205 |
|
25 |
95 |
70 |
16 |
13 |
27 |
35.5 |
11.5 |
7.5 |
M10 |
SB205G |
F205 |
0.70 |
12 |
SBF205-16G |
1 |
|
95 |
70 |
16 |
13 |
27 |
35.5 |
11.5 |
7.5 |
M10 |
SB205-16G |
F205 |
0.68 |
12 |
SBF206-18G |
1-1/8 |
|
108 |
83 |
18 |
13 |
31 |
40 |
11.5 |
8 |
M10 |
SB206-18G |
F206 |
1.00 |
12 |
SBF206G |
|
30 |
108 |
83 |
18 |
13 |
31 |
40 |
11.5 |
8 |
M10 |
SB206G |
F206 |
0.98 |
12 |
SBF206G |
|
30 |
108 |
83 |
18 |
13 |
31 |
40 |
11.5 |
8 |
M10 |
SB206G |
F206 |
0.98 |
12 |
SBF206-19G |
1-3/16 |
|
108 |
83 |
13 |
31 |
40 |
11.5 |
8 |
M10 |
SB206-19G |
F206 |
0.97 |
12 |
|
SBF206-20G |
1-1/4 |
|
108 |
83 |
18 |
13 |
31 |
40 |
11.5 |
8 |
M10 |
SB206-20G |
F206 |
0.96 |
12 |
SBF207-20G |
1-1/4 |
|
117 |
92 |
19 |
15 |
34 |
42.5 |
14 |
8.5 |
M12 |
SB207-20G |
F207 |
1.33 |
|
SBF207-21G |
1-5/16 |
|
117 |
92 |
19 |
15 |
34 |
42.5 |
14 |
8.5 |
M12 |
SB207-21G |
F207 |
1.31 |
|
SBF207-22G |
1-3/8 |
|
117 |
92 |
19 |
15 |
34 |
42.5 |
14 |
8.5 |
M12 |
SB07-22G |
F207 |
1.28 |
|
SBF207G |
|
35 |
117 |
92 |
19 |
15 |
34 |
42.5 |
14 |
8.5 |
M12 |
SB207G |
F207 |
1.32 |
|
SBF207-23G |
1-7/16 |
|
117 |
92 |
19 |
15 |
34 |
42.5 |
14 |
8.5 |
M12 |
SB207-23G |
F207 |
1.27 |
|
SBF208-24G |
1-1/2 |
|
130 |
102 |
21 |
15 |
36 |
46 |
14 |
9 |
M12 |
SB208-24G |
F208 |
1.72 |
16 |
SBF208-25G |
1-9/16 |
|
130 |
102 |
21 |
15 |
36 |
46 |
14 |
9 |
M12 |
SB208-25G |
F208 |
1.70 |
16 |
SBF208G |
|
40 |
130 |
102 |
21 |
15 |
36 |
46 |
14 |
9 |
M12 |
SB208G |
F208 |
1.72 |
16 |
SBF209-26G |
1-5/8 |
|
137 |
105 |
22 |
16 |
38 |
53 |
16 |
10.2 |
M14 |
SB209-26G |
F209 |
2.27 |
|
SBF209-27G |
1-11/16 |
|
137 |
105 |
22 |
16 |
38 |
53 |
16 |
10.2 |
M14 |
SB209-27G |
F209 |
2.27 |
|
SBF209-28G |
1-3/4 |
|
137 |
105 |
22 |
16 |
38 |
53 |
16 |
10.2 |
M14 |
SB209-28G |
F209 |
2.27 |
|
SBF209 |
|
45 |
137 |
105 |
22 |
16 |
38 |
53 |
16 |
10.2 |
M14 |
SB209G |
F209 |
2.27 |
|
SBF210-30G |
1-7/8 |
|
143 |
111 |
22 |
16 |
40 |
54.6 |
18 |
10.9 |
M16 |
SB210-30G |
F210 |
2.38 |
16 |
SBF210-31G |
1-15/16 |
|
143 |
111 |
22 |
16 |
40 |
54.6 |
18 |
10.9 |
M16 |
SB210-31G |
F210 |
2.38 |
16 |
SBF210G |
|
50 |
143 |
111 |
22 |
16 |
40 |
54.6 |
18 |
10.9 |
M16 |
SB210G |
F210 |
2.38 |
16 |
SBF211-32G |
2 |
|
162 |
130 |
25 |
18 |
43 |
58.5 |
18 |
11.8 |
M16 |
SB211-32G |
F211 |
3.44 |
19 |
SBF211-34G |
2-1/8 |
|
162 |
130 |
25 |
18 |
43 |
58.5 |
18 |
11.8 |
M16 |
SB211-34G |
F211 |
3.44 |
19 |
SBF211G |
|
55 |
162 |
130 |
25 |
18 |
43 |
58.5 |
18 |
11.8 |
M16 |
SB211G |
F211 |
3.44 |
19 |
SBF211-35G |
2-3/16 |
|
162 |
130 |
25 |
18 |
43 |
58.5 |
18 |
11.8 |
M16 |
SB211-35G |
F211 |
3.44 |
19 |
SBF212-36G |
2-1/4 |
|
175 |
143 |
29 |
18 |
48 |
67.8 |
18 |
14.9 |
M16 |
SB212-36G |
F212 |
3.96 |
19 |
SBF212G |
|
60 |
175 |
143 |
29 |
18 |
48 |
67.8 |
18 |
14.9 |
M16 |
SB212G |
F212 |
3.96 |
19 |
SBF212-38G |
2-3/8 |
|
175 |
143 |
29 |
18 |
48 |
67.8 |
18 |
14.9 |
M16 |
SB212-38G |
F212 |
3.96 |
19 |
SBF212-39G |
2-7/16 |
|
175 |
143 |
29 |
18 |
48 |
67.8 |
18 |
14.9 |
M16 |
SB212-39G |
F212 |
3.99 |
19 | |