发布时间:2026-05-07
|
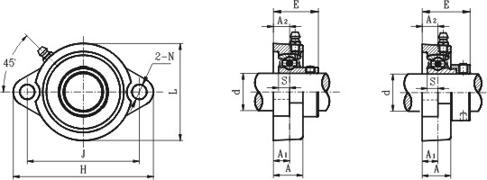
![]() |
| Unit No. | Shaft No. | Dimensions(mm) | Bolt Size | Bearing No. | Housing No. | Mass(kg) | |||||||||
| d | H | J | L | A1 | A | A2 | N | S | E | ||||||
| (in.) | (mm) | ||||||||||||||
| SALF201 | 12 | 81 | 63.5 | 56 | 9.5 | 18 | 9.5 | 8 | 6.5 | 31.6 | M6 | SA201 | LF203 | 0.3 | |
| SALF201-8 | 1/2 | 81 | 63.5 | 56 | 9.5 | 18 | 9.5 | 8 | 6.5 | 31.6 | 1/4 | SA201-8 | LF203 | 0.3 | |
| SALF202 | 15 | 81 | 63.5 | 56 | 9.5 | 18 | 9.5 | 8 | 6.5 | 31.6 | M6 | SA202 | LF203 | 0.29 | |
| SALF202-10 | 5/8 | 81 | 63.5 | 56 | 9.5 | 18 | 9.5 | 8 | 6.5 | 31.6 | 1/4 | SA202-10 | LF203 | 0.29 | |
| SALF203 | 17 | 81 | 63.5 | 56 | 9.5 | 18 | 9.5 | 8 | 6.5 | 31.6 | M6 | SA203 | LF203 | 0.28 | |
| SALF203-11 | 11/16 | 81 | 63.5 | 56 | 9.5 | 18 | 9.5 | 8 | 6.5 | 31.6 | 1/4 | SA230-11 | LF203 | 0.28 | |
| SALF204-12 | 3/4 | 90 | 71.5 | 61 | 11 | 20 | 11 | 10 | 7.5 | 34.4 | 5/16 | SA204-12 | LF204 | 0.33 | |
| SALF204 | 20 | 90 | 71.5 | 61 | 11 | 20 | 11 | 10 | 7.5 | 34.4 | M8 | SA204 | LF204 | 0.33 | |
| SALF205-14 | 7/8 | 95 | 76 | 64 | 11 | 20 | 11 | 10 | 7.5 | 34.4 | 5/16 | SA205-14 | LF205 | 0.42 | |
| SALF205-15 | 15/16 | 95 | 76 | 64 | 11 | 20 | 11 | 10 | 7.5 | 34.4 | 5/16 | SA205-15 | LF205 | 0.42 | |
| SALF205 | 25 | 95 | 76 | 64 | 11 | 20 | 11 | 10 | 7.5 | 34.4 | M8 | SA205 | LF205 | 0.42 | |
| SALF205-16 | 1 | 95 | 76 | 64 | 11 | 20 | 11 | 10 | 7.5 | 34.4 | 5/16 | SA205-16 | LF205 | 0.42 | |
| SALF206-18 | 1-1/8 | 113 | 90.5 | 76 | 12 | 22.5 | 12 | 12 | 9 | 38.7 | 3/8 | SA206-18 | LF206 | 0.60 | |
| SALF206 | 30 | 113 | 90.5 | 76 | 12 | 22.5 | 12 | 12 | 9 | 38.7 | M10 | SA206 | LF206 | 0.60 | |
| SALF206-19 | 1-3/16 | 113 | 90.5 | 76 | 12 | 22.5 | 12 | 12 | 9 | 38.7 | 3/8 | SA206-19 | LF206 | 0.60 | |
| SALF206-20 | 1-1/4 | 113 | 90.5 | 76 | 12 | 22.5 | 12 | 12 | 9 | 38.7 | 3/8 | SA206-20 | LF206 | 0.60 | |
| SALF207-20 | 1-1/4 | 122 | 100 | 89 | 13 | 24 | 13 | 12 | 9.5 | 42.4 | 3/8 | SA207-20 | LF207 | 0.85 | |
| SALF207-21 | 1-5/16 | 122 | 100 | 89 | 13 | 24 | 13 | 12 | 9.5 | 42.4 | 3/8 | SA207-21 | LF207 | 0.85 | |
| SALF207-22 | 1-3/8 | 122 | 100 | 89 | 13 | 24 | 13 | 12 | 9.5 | 42.4 | 3/8 | SA207-22 | LF207 | 0.85 | |
| SALF207 | 35 | 122 | 100 | 89 | 13 | 24 | 13 | 12 | 9.5 | 42.4 | M10 | SA207 | LF207 | 0.85 | |
| SALF207-23 | 1-7/16 | 122 | 100 | 89 | 13 | 24 | 13 | 12 | 9.5 | 42.4 | 3/8 | SA207-23 | LF207 | 0.85 | |
热门文章:
HM266449单列英制圆锥滚子轴承、HM266410单列英制圆锥滚子轴承、HM266449/HM2664...
DTⅡZ(A)1120输送机专用轴承座、DTⅡZ(A)1220输送机专用轴承座、DTⅡZ(A)1320输...
N2212EM轴承、2512EH轴承、N2312EM轴承、2612EH轴承、N313E轴承、2313E轴承、N313EM...
SBCOM 铜合金整体轴套尺寸表
公制螺栓型滚轮滚针轴承KR13、KR16、KR19、KR22、KR26、KR30、KR32、KR35、KR40、K...
上一篇:窄菱形外球面轴承带座SBLFL1、SBLFL2、SBLFL3、SBLFL4、SBLFL5、SBLFL6、SBLFL7、SBLFL1-8、SBLFL2-9、SBLFL2-10、SBLFL4-12、SBLFL5-15、SBLFL5-16、SBLFL6-18、SBLFL6-19、SBLFL6-20、SBLFL7-20、SBLFL7-22、SBLFL7-23 —— 下一篇:窄菱形外球面轴承带座SBFX2001、SBFX2002、SBFX2003、SBFX2004、SBFX2005、SBFX2006、SBFX2007、SBFX2001-8、SBFX2002-9、SBFX2002-10、SBFX2003-11、SBFX2004-12、SBFX2005-13、SBFX2005-14、SBFX2005-16、SBFX2005-16
返回搜轴承首页