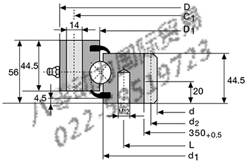
| Dimensions (metric) | d | 444 | ![]() VSI 20 |
| a | 76 | ||
| D | 616 | ||
| C1 | 590 | ||
| d1 | 542.5 | ||
| d2 | 456 | ||
| d2 x Pitch | 6 | ||
| L | 505 | ||
| D1 | 545.5 | ||
| Approx. Wgt. lbs | 92.593 | ||
| Interchange | INA | VSI 20 0544 | |
| SKF | RKS.062.20.0544 | ||
| 1) a = NUMBER OF TEETH | |||
Hot number:KOYO NU 2219 E TIMKEN 53150/53387 NSK B300-6 INA GT9 NMB HRT14 SKF PCM 909560 E SKF S7009 CE/HCP4A NSK ZA-/H0/50KWH02A-Y-01 Torrington 24092 SKF AH-3124x110 RBC GE-80C-2RS TIMKEN ZARF1560 SKF 93125 SKF GEZH 508 ES-2RS SKF WBB1-8708-2RZ
Previous:VSI200414 四点角接触球轴承 ---- Next:VSI200644 四点角接触球轴承
Return to CONSOLIDATED轴承型号查询