Timken 405DTVL729轴承,Timken 405DTVL729角接触球轴承-搜轴承Timken数据中心
搜轴承 -- Timken轴承型号查询 -- 角接触球轴承 -- Timken 405DTVL729轴承

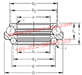
T1 - 114,3 mm

r max - 6,4 mm

D1 - 1143 mm

D2 - 1130,3 mm

E - 1104,9 mm

Weight - 254,4 Kg

订购 Timken 405DTVL729 请填写如下信息

标题:

主要内容:

验证码:

Hot number:NSK 23260 CACK/W33+H 3260 NACHI 52332 OKB 43726L OKB 46111F KOYO 29276 CRAFT 618/3-2RS Timken 67390/67325D+X2S-67390 NSK 7005CTRSU IKO BA 218 Z NSK BD25-9T12C3**UR NKE NCF18/850-V ISO NJ3068 PFI W209PPB2 NSK 61904-ZZ SKF NA-6905