发布时间:2026-01-29

| 型号 | D | L | D1 | L1 | L2 | T | HP | M×ℓ | DS | LS | HS | L3 | CO(kN) | C(kN) | COT(kN-m) | COT2(kN-m) |
| SGM5 | 5 | 30~50 | 8 | 5 | 2.5 | 2.5 | 3.9 | M2 × 5 | 11 | 22 | 6.9 | 0 | 9.6 | 3.5 | 0.05 | 0.02 |
| SGM6 | 6 | 30~50 | 9 | 6 | 2.5 | 2.5 | 4.7 | M3 × 5 | 13 | 25 | 7.7 | 0 | 14.9 | 6.9 | 0.05 | 0.03 |
| SGM9 | 9 | 50~90 | 14 | 9 | 4.5 | 3.5 | 7.8 | M4 × 6 | 17 | 30 | 10.8 | 0 | 18 | 8.1 | 0.1 | 0.05 |
| SGM12 | 12 | 50~120 | 18 | 12 | 6 | 5 | 11.3 | M5 × 8 | 23 | 40 | 15.3 | 0 | 14.9 | 6.9 | 0.5 | 0.3 |
| SGM16 | 16 | 75~135 | 24 | 16 | 6 | 6 | 14.6 | M6 × 10 | 30 | 40 | 18.6 | 0 | 18 | 8.1 | 0.5 | 0.3 |
| SGM20 | 20 | 75~135 | 29 | 20 | 8 | 8 | 19 | M8 × 20 | 37 | 60 | 23 | 20 | 30 | 12.1 | 1.6 | 0.8 |
| SGM25 | 25 | 95~165 | 35 | 25 | 8 | 8 | 24 | M8 × 20 | 44 | 70 | 28 | 20 | 41.4 | 15.5 | 2.8 | 1.4 |
| SGM28 | 26 | 95~185 | 37 | 25 | 8 | 8 | 26.7 | M8 × 20 | 47 | 75 | 31.7 | 20 | 43.1 | 18 | 2.1 | 1.1 |
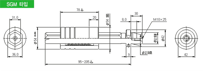
| SGM30 | 30 | 95~205 | 40 | 30 | 8 | 9 | 28.8 | M10 × 25 | 50 | 78 | 33.8 | 20 | 43.1 | 18 | 3.5 | 1.7 |
| SGM32 | 32 | 95~205 | 42 | 30 | 8 | 9 | 31 | M10 × 25 | 54 | 78 | 36 | 20 | 47.4 | 19.4 | 4.1 | 2.1 |
| SGM35 | 35 | 110~220 | 46 | 30 | 8 | 9 | 33.9 | M10 × 25 | 58 | 86 | 38.9 | 20 | 65 | 24.8 | 6.1 | 3.1 |
| SGM40 | 40 | 120~220 | 54 | 35 | 8 | 10 | 39 | M10 × 25 | 68 | 92 | 45 | 20 | 84.5 | 33.3 | 9.2 | 4.6 |
| SGM60 | 60 | 150~250 | 74 | 42 | 15 | 15 | 58.4 | M14 × 30 | 95 | 120 | 66.4 | 20 | 171 | 67.7 | 27.6 | 13.8 |
| SGM80 | 80 | 180~280 | 98 | 45 | 15 | 15 | 79.5 | M16 × 30 | 120 | 145 | 87.5 | 25 | 195 | 75 | 56.3 | 28.1 |
| SGM50 | 50 | 150~250 | 64 | 35 | 8 | 12 | 48.6 | M12 × 30 | 78 | 96 | 54.6 | 20 | 102 | 38.6 | 13.6 | 6.8 |
| 型号 | L4 | L5 | D2 | D3 | 型号 | LL | DR | LR | 수량 NUMBER | |||||||
| SGM5 | 5 | - | - | 8 | SGM5 | 18 | 1.5 | 3 | 15 | |||||||
| SGM6 | 5 | - | - | 9 | SGM6 | 18 | 1.5 | 3 | 15 | |||||||
| SGM9 | 6 | - | - | 14 | SGM9 | 17 | 1.5 | 4.8 | 16 | |||||||
| SGM12 | 7 | 3 | 16 | - | SGM12 | 29.8 | 2 | 4.8 | 42 | |||||||
| SGM16 | 10 | 4 | 22 | - | SGM16 | 30 | 2 | 6.8 | 24 | |||||||
| SGM20 | 13 | 5 | 26 | - | SGM20 | 52 | 2 | 6.8 | 60 | |||||||
| SGM25 | 13 | 5 | 32 | - | SGM25 | 62 | 2 | 7.8 | 72 | |||||||
| SGM28 | 13 | 5 | 35 | - | SGM28 | 66 | 2.5 | 7.8 | 60 | |||||||
| SGM30 | 16 | 7 | 38 | - | SGM30 | 68 | 2.5 | 7.8 | 60 | |||||||
| SGM32 | 16 | 7 | 40 | - | SGM32 | 68 | 2.5 | 7.8 | 66 | |||||||
| SGM35 | 16 | 7 | 44 | - | SGM35 | 74 | 2.5 | 9.8 | 72 | |||||||
| SGM40 | 18 | 9 | 50 | - | SGM40 | 78 | 3 | 9.8 | 78 | |||||||
| SGM60 | 20 | 12 | 72 | - | SGM60 | 116 | 4 | 13.8 | 84 | |||||||
| SGM80 | 26 | 13 | 105 | - | SGM80 | 132 | 4 | 13.8 | 128 | |||||||
| SGM50 | 18 | 9 | 60 | - | SGM50 | 82 | 3 | 11.8 | 78 | |||||||

















热门文章:
CKA75X40-25单向轴承、CKA80X32-22单向轴承、CKA80X32-25单向轴承、CKA80X26-30单向...
长圆柱滚子轴承YD94230轴承、YD94232轴承、YD94236轴承、YD94240轴承、YD94248轴...
1616A轴承,2316TN1轴承,111616A轴承,2316KTN1轴承,1616H轴承,2316M轴承,111616...
5200、5201、5202、5203、5204、5205、5206、5207、5208、5209角接触球轴承
剖分式轴承座SD3134、SD3136、SD3138、SD3140、SD3144、SD3148、SD3152、SD3156、SD3160...
上一篇:SGMF5直线轴承、SGMF6直线轴承、SGMF9直线轴承、SGMF12直线轴承、SGMF16直线轴承、SGMF20直线轴承、SGMF25直线轴承、SGMF28直线轴承、SGMF30直线轴承、SGMF35直线轴承、SGMF40直线轴承、SGMF50直线轴承、SGMF60直线轴承、SGMF80直线轴承 —— 下一篇:PDF-DFH15B、PDF-DFH20B、PDF-DFH25B、PDF-DFH30B、PDF-DFH35B、PDF-DFH45B、PDF-DFH20BL、PDF-DFH25BL、PDF-DFH30BL、PDF-DFH35BL、PDF-DFH45BL、PDF-DFH15A、PDF-DFH20A、PDF-DFH25A、PDF-DFH30A、PDF-DFH35A、PDF-DFH45A、PDF-DFH20AL、PDF-DFH25AL、PDF-DFH30AL、PDF-DFH35AL、PDF-DFH45AL滑块
返回搜轴承首页